Summary address of previous weekly reports :http://www.armbbs.cn/forum.php?mod=forumdisplay&fid=12&filter=typeid&typeid=104

Update a video tutorial this week :
BSP Video tutorial 21 period : Easy one click serial port DMA Send and receive with variable length , Support for bare metal and RTOS, contain MDK and IAR Two ways to play , Than STM32CubeMX It's convenient
https://www.armbbs.cn/forum.php?mod=viewthread&tid=114241
Video version :
https://www.bilibili.com/video/BV1dY4y1j7qx
1、 The strongest safety key C Code rules Practice Manual , Not one of them.
anssi-guide-rules_for_secure_c_language_software_development-v1.4.pdf (1.06 MB)
In the past C Books on the subject , Or hundreds of thousands of pages thick , Or all kinds of obscure C How to play , After learning, I can only use if else, The advanced playing methods in the book are completely forgotten , Mainly, it is not so practical , not essential .
This time I will share with you the key to safety C Code abandons tradition C The compilation routine of books , Give the rules directly , Recommend ways , References and specification codes , Non standard code display , Greatly convenient for your reference .
a front cover :

Catalog :

Effect display , Although it's in English , But it is very suitable for beginners :

2、 Open source 2D Vector graphics rendering Library LinaVG
It can render anti aliasing shapes , Support gradient colors , line , outline ,SDF Text etc. .
https://github.com/inanevin/LinaVG
Dynamic effect :

Other screenshot effects :




characteristic :

3、 The name is a little dirty , But it's serious programming JSFuck
http://www.jsfuck.com/
https://github.com/aemkei/jsfuck
JSFuck It's based on JavaScript The abstruse and educational programming style of atomic part . It uses only six different characters to write and execute code .
It's not browser dependent , So users can even Node.js Run it on .
For example, the following code is executed alert(1)
[][(![]+[])[+[]]+([![]]+[][[]])[+!+[]+[+[]]]+(![]+[])[!+[]+!+[]]+(!![]+[])[+[ ]]+(!![]+[])[!+[]+!+[]+!+[]]+(!![]+[])[+!+[]]][([][(![]+[])[+[]]+([![]]+[][[] ])[+!+[]+[+[]]]+(![]+[])[!+[]+!+[]]+(!![]+[])[+[]]+(!![]+[])[!+[]+!+[]+!+[]]+ (!![]+[])[+!+[]]]+[])[!+[]+!+[]+!+[]]+(!![]+[][(![]+[])[+[]]+([![]]+[][[]])[+ !+[]+[+[]]]+(![]+[])[!+[]+!+[]]+(!![]+[])[+[]]+(!![]+[])[!+[]+!+[]+!+[]]+(!![ ]+[])[+!+[]]])[+!+[]+[+[]]]+([][[]]+[])[+!+[]]+(![]+[])[!+[]+!+[]+!+[]]+(!![] +[])[+[]]+(!![]+[])[+!+[]]+([][[]]+[])[+[]]+([][(![]+[])[+[]]+([![]]+[][[]])[ +!+[]+[+[]]]+(![]+[])[!+[]+!+[]]+(!![]+[])[+[]]+(!![]+[])[!+[]+!+[]+!+[]]+(!! []+[])[+!+[]]]+[])[!+[]+!+[]+!+[]]+(!![]+[])[+[]]+(!![]+[][(![]+[])[+[]]+([![ ]]+[][[]])[+!+[]+[+[]]]+(![]+[])[!+[]+!+[]]+(!![]+[])[+[]]+(!![]+[])[!+[]+!+[ ]+!+[]]+(!![]+[])[+!+[]]])[+!+[]+[+[]]]+(!![]+[])[+!+[]]]((![]+[])[+!+[]]+(![ ]+[])[!+[]+!+[]]+(!![]+[])[!+[]+!+[]+!+[]]+(!![]+[])[+!+[]]+(!![]+[])[+[]]+(! []+[][(![]+[])[+[]]+([![]]+[][[]])[+!+[]+[+[]]]+(![]+[])[!+[]+!+[]]+(!![]+[]) [+[]]+(!![]+[])[!+[]+!+[]+!+[]]+(!![]+[])[+!+[]]])[!+[]+!+[]+[+[]]]+[+!+[]]+( !![]+[][(![]+[])[+[]]+([![]]+[][[]])[+!+[]+[+[]]]+(![]+[])[!+[]+!+[]]+(!![]+[ ])[+[]]+(!![]+[])[!+[]+!+[]+!+[]]+(!![]+[])[+!+[]]])[!+[]+!+[]+[+[]]])()
Basic grammar :

4、 Small software that supports hundreds of file format parsing FQ
download :https://github.com/wader/fq/releases
instructions :https://github.com/wader/fq/blob/master/doc/usage.md
It was originally designed for queries 、 Check and debug multimedia formats , Such as mp4、flac、mp3、jpeg, Now it has been expanded to support hundreds of formats .

Windows Next , Use scoop Commands can be easily installed

effect :


Mind mapping :

5、MicroChip New launch AVR DD Series of products
Can't think of AVR New products are still coming out .
specifications :


block diagram :

Kit :

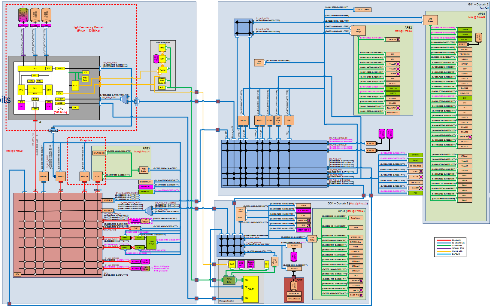
6、STM32H7 New system block diagram
en.STM32H7-Introduction-Delta_STM32H7_Series.pdf (452.4 KB)
More detailed than the previous system block diagram , The drawing is great .




7、Nordic Wireless communication magazine published 2022 In the first 2 period , Quarterly , It has been launched in succession 16 Years.
Address :https://www.nordicsemi.com/eng/News/ULP-Wireless-Quarter
NS_WQ_Issue_2_2022.pdf (18.68MB)
like Zigbee, bluetooth ,LoRa,Thread,WIFI,NBIOT Students waiting for correspondence can have a look at , Magazines do more distracted , The electronic version can be downloaded for free .
this 10 Quarterly list of years :

Send out some effects :



8、 Open source C Library and data structure software package SC, Every function can be ported
features : High performance , Minimum code requirements , Each function has its own C and H file , It is convenient to transplant and use alone .

What's more valuable is that there are corresponding play examples in each file , It's very convenient .
For example, use linked lists :

9、ST news
(1)ST Release motor reference design , Suitable for power up to 250W Reference design of industrial compressors and household appliances .
https://estore.st.com/en/steval-ctm011v1-cpn.html?icmp=tt27605_gl_pron_jul2022
https://estore.st.com/en/products/evaluation-tools/solution-evaluation-tools/motor-control-solution-eval-boards/steval-ctm012v1.html?icmp=tt27605_gl_pron_jul2022
The core of every design is STSPIN32F0601Q, use SIP The packaging technology integrates a motor controller and a three-phase inverter .

Kit :

(2) Volkswagen's new independent software department CARIAD Will and ST Cooperative development SoC, Software defined vehicles for the future of this automaker , future CARIAD All control units of vehicles in the regional architecture will adopt this SoC.
In fact, there is only one core idea : Car hardware , Automotive software is completely controllable , Chip manufacturing is produced by TSMC , And in the future, the primary suppliers of Volkswagen Group will only use ST Jointly developed SoC and ST Home automotive chip , be used for CARIAD Regional architecture .
Automotive systems will be in QNX On the basis of , As part of the software definition .
ps:CARIAD Founded on 2020 year . The Department currently has about 5000 Engineers and developers , We are committed to developing a unified software platform and operating system for all Volkswagen Group brand vehicles .

10、ARM released PAF Physical attack framework
https://github.com/ARM-software/PAF
PAF It is a tool library , For understanding physical attacks , For example, fault injection and side channel , And hope to help strengthen the code base to resist these threats .

11、H7-TOOL Progress this week
H7-TOOL Detailed introduction :
https://www.armbbs.cn/forum.php?mod=viewthread&tid=89934
H7-TOOL Of SPI Interface mode offline burning is also realized , adopt Lua Applet , We can do it online in a convenient way SPI Interface mode firmware burning , You can also run offline Lua Small program burning .
thus , Formal gathering H7-TOOL Of SPI,I2C,CANFD And serial port interface mode offline burning , If you have time this week , Record one episode of these interface modes bootloader Share the video tutorial .
SPI Interface mode offline burning will be updated to this post :
https://www.armbbs.cn/forum.php?mod=viewthread&tid=114301
dynamic :

Screenshot :











