当前位置:网站首页>Chapter007 FPGA learning IIC bus EEPROM reading
Chapter007 FPGA learning IIC bus EEPROM reading
2022-07-24 07:13:00 【ASWaterbenben】
IIC Bus is an important communication bus between devices in embedded field , Again ,FPGA It can also be realized in the form of modules IIC The function of , Its principle and STM32 The simulation IIC Bus consistency , Is to control every time point SCL、SDA Bus level .
IIC The bus needs the corresponding slave communication device to communicate , Therefore, it is currently used AT24C64【IIC Bus EEPROM】 As a slave , Through the realization of EEPROM The reading of 、 Write , To learn IIC The agreement FPGA The implementation of the .
Hardware principle
because IIC Nature is 2 Wire communication , Take the slave address as the identification basis , stay IIC Point to point communication on the bus , Therefore, the detailed hardware will not be described , Use the topology diagram to illustrate the problem , Again IIC On the bus ,EEPROM The slave address of is 7‘h50, That's binary 0b1010000.
IIC I won't go into details about the communication waveform of the bus , The general idea of the message is :
Start –> Device address output –> Read write function output –> Waiting for feedback –> Data address ( read / Write )–> Waiting for feedback –> Data and content ( read / Write )–> Waiting for feedback –> end
The pins of relevant circuits are as follows :
Timing is divided into writing timing 、 Reading sequence , The details are as follows :
Write timing :
Continuous writing is to write 8bit Data and continue to send later ;
Reading sequence :
To achieve continuous reading , Change the last host non reply to host reply , If you need to read several times, answer several times .
Design objectives
The design goal is to EEPROM in , Address from 0 Start to 255 Write in sequence 0 ~ 255 The numerical , After writing , Address 0 ~ 255 Read out the data of , And check whether the address corresponds to the data , If the data is exactly the same as the address , Make it red PL_LED flashing 、 otherwise PL_LED Changliang .
The resources used are :
1、IIC Of SCL Line and SDA Line
2、 For indication LED The lamp
3、 Reset and system clock
Module analysis
Because of the need to use EEPROM peripherals , And peripherals use IIC The bus communicates , Therefore, we need to realize IIC Bus driver module ;
Input :
Bit control signal 【 The data address may be bit 0 ~ 255(8bit) or 0 ~ 65535(16bit)】
The system clock
IIC The data address of
IIC Data to be written 【8bit】
IIC Enable signal
IIC Read write control signal
Module reset signal
Output :
Control clock of upper module 【 It is used to let the upper module send data to the module using the matching frequency 】
IIC Whether a reply is received
IIC Data read 【8bit】
IIC Current operation completion flag
IIC Bus SCL The signal
IIC Bus SDA The signal
When there's a IIC Behind the drive module , The upper function only needs to put the corresponding address 、 Data is sent to IIC Driver module , That is to say IIC Communication for , Therefore, it needs to be realized EEPROM Read and write to , There needs to be one The logic module of the read-write process To achieve this function ;
Input :
IIC Operating the clock
IIC Whether a reply is received
IIC Data read 【8bit】
IIC Current operation completion flag
Reset
Output :
Operation required IIC Address
IIC Written data
IIC Enable signal of the drive module
IIC Read and write marks of
Read write completion mark 【 For driving LED modular 】
Reading and writing results 【 For driving LED modular 】
Finally, it is used to describe whether the experiment was successful LED modular , If the contents written and read are consistent , be LED flashing , If not, then LED Changliang ;
Input :
Running clock
Reset
Read write completion mark
Reading and writing results
Output :
LED Light control signal
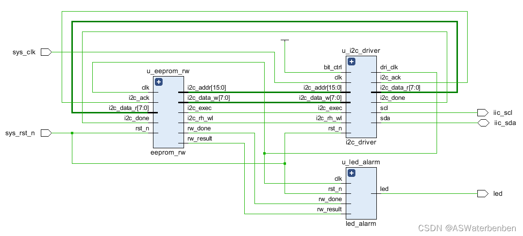
Then use the upper module to instantiate the above sub module , You can get the overall design ;
Input :
The system clock
Reset
Output :
IIC_CLK
IIC_SDA
LED
The schematic diagram of the module is shown below :
Code editing
Verilog The code of the language includes the following parts :
A top-level module for instantiating sub modules ;
- IIC Driver module 【i2c_driver.v】
- EEPROM Read write control module 【eeprom_rw.v】
- led Alarm module 【led_alarm.v】
Top level module related code
Top level module code (eeprom_top.v):
`timescale 1ns / 1ps
//
// Company:
// Engineer:
//
// Create Date: 2022/07/21 21:29:06
// Design Name:
// Module Name: eeprom_top
// Project Name:
// Target Devices:
// Tool Versions:
// Description:
//
// Dependencies:
//
// Revision:
// Revision 0.01 - File Created
// Additional Comments:
//
//
module eeprom_top(
input sys_clk , // The system clock
input sys_rst_n , // System reset
//eeprom interface
output iic_scl , //eeprom My clock line scl
inout iic_sda , //eeprom The data line sda
//user interface
output led //led Show
);
//parameter define
parameter SLAVE_ADDR = 7'b1010000 ; // Device address (SLAVE_ADDR)
parameter BIT_CTRL = 1'b1 ; // Word address bit control parameter (16b/8b)
parameter CLK_FREQ = 26'd50_000_000 ; //i2c_dri The drive clock frequency of the module (CLK_FREQ)
parameter I2C_FREQ = 18'd250_000 ; //I2C Of SCL clock frequency
parameter L_TIME = 17'd125_000 ; //led Flashing time parameter
//wire define
wire dri_clk ; //I2C Operating the clock
wire i2c_exec ; //I2C Trigger control
wire [15:0] i2c_addr ; //I2C Operating address
wire [ 7:0] i2c_data_w; //I2C Written data
wire i2c_done ; //I2C Operation end flag
wire i2c_ack ; //I2C Answer flag 0: The reply 1: Not answered
wire i2c_rh_wl ; //I2C Read write control
wire [ 7:0] i2c_data_r; //I2C Read out data
wire rw_done ; //E2PROM The reading and writing test is completed
wire rw_result ; //E2PROM Reading and writing test results 0: Failure 1: success
//*****************************************************
//** main code
//*****************************************************
//e2prom Read write test module
eeprom_rw u_eeprom_rw(
.clk (dri_clk ), // Clock signal
.rst_n (sys_rst_n ), // Reset signal
//i2c interface
.i2c_exec (i2c_exec ), //I2C Trigger execution signal
.i2c_rh_wl (i2c_rh_wl ), //I2C Read write control signal
.i2c_addr (i2c_addr ), //I2C Address in device
.i2c_data_w (i2c_data_w), //I2C Data to write
.i2c_data_r (i2c_data_r), //I2C Read out data
.i2c_done (i2c_done ), //I2C One operation complete
.i2c_ack (i2c_ack ), //I2C Answer flag
//user interface
.rw_done (rw_done ), //E2PROM The reading and writing test is completed
.rw_result (rw_result ) //E2PROM Reading and writing test results 0: Failure 1: success
);
//i2c Driver module
i2c_driver #(
.SLAVE_ADDR (SLAVE_ADDR), //EEPROM Slave address
.CLK_FREQ (CLK_FREQ ), // Clock frequency of module input
.I2C_FREQ (I2C_FREQ ) //IIC_SCL The clock frequency of
) u_i2c_driver(
.clk (sys_clk ),
.rst_n (sys_rst_n ),
//i2c interface
.i2c_exec (i2c_exec ), //I2C Trigger execution signal
.bit_ctrl (BIT_CTRL ), // Device address bit control (16b/8b)
.i2c_rh_wl (i2c_rh_wl ), //I2C Read write control signal
.i2c_addr (i2c_addr ), //I2C Address in device
.i2c_data_w (i2c_data_w), //I2C Data to write
.i2c_data_r (i2c_data_r), //I2C Read out data
.i2c_done (i2c_done ), //I2C One operation complete
.i2c_ack (i2c_ack ), //I2C Answer flag
.scl (iic_scl ), //I2C Of SCL Clock signal
.sda (iic_sda ), //I2C Of SDA The signal
//user interface
.dri_clk (dri_clk ) //I2C Operating the clock
);
//led Indicator module
led_alarm #(.L_TIME(L_TIME ) // control led Flash time
) u_led_alarm(
.clk (dri_clk ),
.rst_n (sys_rst_n ),
.rw_done (rw_done ),
.rw_result (rw_result ),
.led (led )
);
endmodule
Top level constraint file (eeprom_top.xdc):
set_property -dict {
PACKAGE_PIN U18 IOSTANDARD LVCMOS33} [get_ports sys_clk]
set_property -dict {
PACKAGE_PIN N16 IOSTANDARD LVCMOS33} [get_ports sys_rst_n]
set_property -dict {
PACKAGE_PIN E18 IOSTANDARD LVCMOS33} [get_ports iic_scl]
set_property -dict {
PACKAGE_PIN F17 IOSTANDARD LVCMOS33} [get_ports iic_sda]
set_property -dict {
PACKAGE_PIN H15 IOSTANDARD LVCMOS33} [get_ports led]
Lower function module code
IIC Driver module , Be responsible for changing data and address operations into IIC The level signal on 【i2c_driver.v】
The module will IIC The bus output signal is expressed by a complex three-stage state machine 【 Synchronous timing represents state transition 、 Combinational logic judges state transition 、 Normal function execution in each state 】, See code comments for specific meanings ;
`timescale 1ns / 1ps
//
// Company:
// Engineer:
//
// Create Date: 2022/07/21 21:36:55
// Design Name:
// Module Name: i2c_driver
// Project Name:
// Target Devices:
// Tool Versions:
// Description:
//
// Dependencies:
//
// Revision:
// Revision 0.01 - File Created
// Additional Comments:
//
//
module i2c_driver
#(
parameter SLAVE_ADDR = 7'b1010000 , //EEPROM Slave address
parameter CLK_FREQ = 26'd50_000_000, // Clock frequency of module input
parameter I2C_FREQ = 18'd250_000 //IIC_SCL The clock frequency of
)
(
input clk ,
input rst_n ,
//i2c interface
input i2c_exec , //I2C Trigger execution signal
input bit_ctrl , // Word address bit control (16b/8b)
input i2c_rh_wl , //I2C Read write control signal
input [15:0] i2c_addr , //I2C Address in device
input [ 7:0] i2c_data_w , //I2C Data to write
output reg [ 7:0] i2c_data_r , //I2C Read out data
output reg i2c_done , //I2C One operation complete
output reg i2c_ack , //I2C Answer flag 0: The reply 1: Not answered
output reg scl , //I2C Of SCL Clock signal
inout sda , //I2C Of SDA The signal
//user interface
output reg dri_clk // drive I2C Operating drive clock
);
//localparam define
localparam st_idle = 8'b0000_0001; // Idle state
localparam st_sladdr = 8'b0000_0010; // Send device address (slave address)
localparam st_addr16 = 8'b0000_0100; // send out 16 Bit word address
localparam st_addr8 = 8'b0000_1000; // send out 8 Bit word address
localparam st_data_wr = 8'b0001_0000; // Writing data (8 bit)
localparam st_addr_rd = 8'b0010_0000; // Send device address read
localparam st_data_rd = 8'b0100_0000; // Reading data (8 bit)
localparam st_stop = 8'b1000_0000; // end I2C operation
//reg define
reg sda_dir ; //I2C data (SDA) Direction control
reg sda_out ; //SDA The output signal
reg st_done ; // State end
reg wr_flag ; // Write a sign
reg [ 6:0] cnt ; // Count
reg [ 7:0] cur_state ; // State machine current state
reg [ 7:0] next_state; // State machine next state
reg [15:0] addr_t ; // Address
reg [ 7:0] data_r ; // Read data
reg [ 7:0] data_wr_t ; //I2C Temporary deposit of data to be written
reg [ 9:0] clk_cnt ; // Divide the clock count
//wire define
wire sda_in ; //SDA Input signal
wire [8:0] clk_divide ; // The division coefficient of the module driven clock
//*****************************************************
//** main code
//*****************************************************
//SDA control
assign sda = sda_dir ? sda_out : 1'bz ; //SDA Data output or high resistance
assign sda_in = sda ; //SDA data input
assign clk_divide = (CLK_FREQ/I2C_FREQ) >> 2'd2 ; // The division coefficient of the module driven clock
// Generate I2C Of SCL Four times the frequency of the drive clock is used to drive i2c The operation of
always @(posedge clk or negedge rst_n) begin
if(!rst_n) begin
dri_clk <= 1'b0;
clk_cnt <= 10'd0;
end
else if(clk_cnt == clk_divide[8:1] - 1'd1) begin
clk_cnt <= 10'd0;
dri_clk <= ~dri_clk;
end
else
clk_cnt <= clk_cnt + 1'b1;
end
//( Three stage state machine ) Synchronous timing describes state transitions
always @(posedge dri_clk or negedge rst_n) begin
if(!rst_n)
cur_state <= st_idle;
else
cur_state <= next_state;
end
// Combinational logic determines the condition of state transition
always @(*) begin
next_state = st_idle;
case(cur_state)
st_idle: begin // Idle state
if(i2c_exec) begin
next_state = st_sladdr;
end
else
next_state = st_idle;
end
st_sladdr: begin
if(st_done) begin
if(bit_ctrl) // Judgment is 16 A still 8 Bit word address
next_state = st_addr16;
else
next_state = st_addr8 ;
end
else
next_state = st_sladdr;
end
st_addr16: begin // Write 16 Bit word address
if(st_done) begin
next_state = st_addr8;
end
else begin
next_state = st_addr16;
end
end
st_addr8: begin //8 Bit word address
if(st_done) begin
if(wr_flag==1'b0) // Read and write
next_state = st_data_wr;
else
next_state = st_addr_rd;
end
else begin
next_state = st_addr8;
end
end
st_data_wr: begin // Writing data (8 bit)
if(st_done)
next_state = st_stop;
else
next_state = st_data_wr;
end
st_addr_rd: begin // Write an address to read data
if(st_done) begin
next_state = st_data_rd;
end
else begin
next_state = st_addr_rd;
end
end
st_data_rd: begin // Reading data (8 bit)
if(st_done)
next_state = st_stop;
else
next_state = st_data_rd;
end
st_stop: begin // end I2C operation
if(st_done)
next_state = st_idle;
else
next_state = st_stop ;
end
default: next_state= st_idle;
endcase
end
// Sequential circuits describe state outputs
always @(posedge dri_clk or negedge rst_n) begin
// Reset initialization
if(!rst_n) begin
scl <= 1'b1;
sda_out <= 1'b1;
sda_dir <= 1'b1;
i2c_done <= 1'b0;
i2c_ack <= 1'b0;
cnt <= 1'b0;
st_done <= 1'b0;
data_r <= 1'b0;
i2c_data_r<= 1'b0;
wr_flag <= 1'b0;
addr_t <= 1'b0;
data_wr_t <= 1'b0;
end
else begin
st_done <= 1'b0 ;
cnt <= cnt +1'b1 ;
case(cur_state)
st_idle: begin // Idle state
scl <= 1'b1;
sda_out <= 1'b1;
sda_dir <= 1'b1;
i2c_done<= 1'b0;
cnt <= 7'b0;
if(i2c_exec) begin
wr_flag <= i2c_rh_wl ;
addr_t <= i2c_addr ;
data_wr_t <= i2c_data_w;
i2c_ack <= 1'b0;
end
end
st_sladdr: begin // Write the address ( Device address and word address )
case(cnt)
7'd1 : sda_out <= 1'b0; // Start I2C
7'd3 : scl <= 1'b0;
7'd4 : sda_out <= SLAVE_ADDR[6]; // Send device address
7'd5 : scl <= 1'b1;
7'd7 : scl <= 1'b0;
7'd8 : sda_out <= SLAVE_ADDR[5];
7'd9 : scl <= 1'b1;
7'd11: scl <= 1'b0;
7'd12: sda_out <= SLAVE_ADDR[4];
7'd13: scl <= 1'b1;
7'd15: scl <= 1'b0;
7'd16: sda_out <= SLAVE_ADDR[3];
7'd17: scl <= 1'b1;
7'd19: scl <= 1'b0;
7'd20: sda_out <= SLAVE_ADDR[2];
7'd21: scl <= 1'b1;
7'd23: scl <= 1'b0;
7'd24: sda_out <= SLAVE_ADDR[1];
7'd25: scl <= 1'b1;
7'd27: scl <= 1'b0;
7'd28: sda_out <= SLAVE_ADDR[0];
7'd29: scl <= 1'b1;
7'd31: scl <= 1'b0;
7'd32: sda_out <= 1'b0; //0: Write
7'd33: scl <= 1'b1;
7'd35: scl <= 1'b0;
7'd36: begin
sda_dir <= 1'b0;
sda_out <= 1'b1;
end
7'd37: scl <= 1'b1;
7'd38: begin // Slave response
st_done <= 1'b1;
if(sda_in == 1'b1) // A high level indicates no response
i2c_ack <= 1'b1; // Pull up the response flag bit
end
7'd39: begin
scl <= 1'b0;
cnt <= 1'b0;
end
default : ;
endcase
end
st_addr16: begin
case(cnt)
7'd0 : begin
sda_dir <= 1'b1 ;
sda_out <= addr_t[15]; // Send word address
end
7'd1 : scl <= 1'b1;
7'd3 : scl <= 1'b0;
7'd4 : sda_out <= addr_t[14];
7'd5 : scl <= 1'b1;
7'd7 : scl <= 1'b0;
7'd8 : sda_out <= addr_t[13];
7'd9 : scl <= 1'b1;
7'd11: scl <= 1'b0;
7'd12: sda_out <= addr_t[12];
7'd13: scl <= 1'b1;
7'd15: scl <= 1'b0;
7'd16: sda_out <= addr_t[11];
7'd17: scl <= 1'b1;
7'd19: scl <= 1'b0;
7'd20: sda_out <= addr_t[10];
7'd21: scl <= 1'b1;
7'd23: scl <= 1'b0;
7'd24: sda_out <= addr_t[9];
7'd25: scl <= 1'b1;
7'd27: scl <= 1'b0;
7'd28: sda_out <= addr_t[8];
7'd29: scl <= 1'b1;
7'd31: scl <= 1'b0;
7'd32: begin
sda_dir <= 1'b0;
sda_out <= 1'b1;
end
7'd33: scl <= 1'b1;
7'd34: begin // Slave response
st_done <= 1'b1;
if(sda_in == 1'b1) // A high level indicates no response
i2c_ack <= 1'b1; // Pull up the response flag bit
end
7'd35: begin
scl <= 1'b0;
cnt <= 1'b0;
end
default : ;
endcase
end
st_addr8: begin
case(cnt)
7'd0: begin
sda_dir <= 1'b1 ;
sda_out <= addr_t[7]; // Word address
end
7'd1 : scl <= 1'b1;
7'd3 : scl <= 1'b0;
7'd4 : sda_out <= addr_t[6];
7'd5 : scl <= 1'b1;
7'd7 : scl <= 1'b0;
7'd8 : sda_out <= addr_t[5];
7'd9 : scl <= 1'b1;
7'd11: scl <= 1'b0;
7'd12: sda_out <= addr_t[4];
7'd13: scl <= 1'b1;
7'd15: scl <= 1'b0;
7'd16: sda_out <= addr_t[3];
7'd17: scl <= 1'b1;
7'd19: scl <= 1'b0;
7'd20: sda_out <= addr_t[2];
7'd21: scl <= 1'b1;
7'd23: scl <= 1'b0;
7'd24: sda_out <= addr_t[1];
7'd25: scl <= 1'b1;
7'd27: scl <= 1'b0;
7'd28: sda_out <= addr_t[0];
7'd29: scl <= 1'b1;
7'd31: scl <= 1'b0;
7'd32: begin
sda_dir <= 1'b0;
sda_out <= 1'b1;
end
7'd33: scl <= 1'b1;
7'd34: begin // Slave response
st_done <= 1'b1;
if(sda_in == 1'b1) // A high level indicates no response
i2c_ack <= 1'b1; // Pull up the response flag bit
end
7'd35: begin
scl <= 1'b0;
cnt <= 1'b0;
end
default : ;
endcase
end
st_data_wr: begin // Writing data (8 bit)
case(cnt)
7'd0: begin
sda_out <= data_wr_t[7]; //I2C Write 8 Bit data
sda_dir <= 1'b1;
end
7'd1 : scl <= 1'b1;
7'd3 : scl <= 1'b0;
7'd4 : sda_out <= data_wr_t[6];
7'd5 : scl <= 1'b1;
7'd7 : scl <= 1'b0;
7'd8 : sda_out <= data_wr_t[5];
7'd9 : scl <= 1'b1;
7'd11: scl <= 1'b0;
7'd12: sda_out <= data_wr_t[4];
7'd13: scl <= 1'b1;
7'd15: scl <= 1'b0;
7'd16: sda_out <= data_wr_t[3];
7'd17: scl <= 1'b1;
7'd19: scl <= 1'b0;
7'd20: sda_out <= data_wr_t[2];
7'd21: scl <= 1'b1;
7'd23: scl <= 1'b0;
7'd24: sda_out <= data_wr_t[1];
7'd25: scl <= 1'b1;
7'd27: scl <= 1'b0;
7'd28: sda_out <= data_wr_t[0];
7'd29: scl <= 1'b1;
7'd31: scl <= 1'b0;
7'd32: begin
sda_dir <= 1'b0;
sda_out <= 1'b1;
end
7'd33: scl <= 1'b1;
7'd34: begin // Slave response
st_done <= 1'b1;
if(sda_in == 1'b1) // A high level indicates no response
i2c_ack <= 1'b1; // Pull up the response flag bit
end
7'd35: begin
scl <= 1'b0;
cnt <= 1'b0;
end
default : ;
endcase
end
st_addr_rd: begin // Write an address to read data
case(cnt)
7'd0 : begin
sda_dir <= 1'b1;
sda_out <= 1'b1;
end
7'd1 : scl <= 1'b1;
7'd2 : sda_out <= 1'b0; // restart
7'd3 : scl <= 1'b0;
7'd4 : sda_out <= SLAVE_ADDR[6]; // Send device address
7'd5 : scl <= 1'b1;
7'd7 : scl <= 1'b0;
7'd8 : sda_out <= SLAVE_ADDR[5];
7'd9 : scl <= 1'b1;
7'd11: scl <= 1'b0;
7'd12: sda_out <= SLAVE_ADDR[4];
7'd13: scl <= 1'b1;
7'd15: scl <= 1'b0;
7'd16: sda_out <= SLAVE_ADDR[3];
7'd17: scl <= 1'b1;
7'd19: scl <= 1'b0;
7'd20: sda_out <= SLAVE_ADDR[2];
7'd21: scl <= 1'b1;
7'd23: scl <= 1'b0;
7'd24: sda_out <= SLAVE_ADDR[1];
7'd25: scl <= 1'b1;
7'd27: scl <= 1'b0;
7'd28: sda_out <= SLAVE_ADDR[0];
7'd29: scl <= 1'b1;
7'd31: scl <= 1'b0;
7'd32: sda_out <= 1'b1; //1: read
7'd33: scl <= 1'b1;
7'd35: scl <= 1'b0;
7'd36: begin
sda_dir <= 1'b0;
sda_out <= 1'b1;
end
7'd37: scl <= 1'b1;
7'd38: begin // Slave response
st_done <= 1'b1;
if(sda_in == 1'b1) // A high level indicates no response
i2c_ack <= 1'b1; // Pull up the response flag bit
end
7'd39: begin
scl <= 1'b0;
cnt <= 1'b0;
end
default : ;
endcase
end
st_data_rd: begin // Reading data (8 bit)
case(cnt)
7'd0: sda_dir <= 1'b0;
7'd1: begin
data_r[7] <= sda_in;
scl <= 1'b1;
end
7'd3: scl <= 1'b0;
7'd5: begin
data_r[6] <= sda_in ;
scl <= 1'b1 ;
end
7'd7: scl <= 1'b0;
7'd9: begin
data_r[5] <= sda_in;
scl <= 1'b1 ;
end
7'd11: scl <= 1'b0;
7'd13: begin
data_r[4] <= sda_in;
scl <= 1'b1 ;
end
7'd15: scl <= 1'b0;
7'd17: begin
data_r[3] <= sda_in;
scl <= 1'b1 ;
end
7'd19: scl <= 1'b0;
7'd21: begin
data_r[2] <= sda_in;
scl <= 1'b1 ;
end
7'd23: scl <= 1'b0;
7'd25: begin
data_r[1] <= sda_in;
scl <= 1'b1 ;
end
7'd27: scl <= 1'b0;
7'd29: begin
data_r[0] <= sda_in;
scl <= 1'b1 ;
end
7'd31: scl <= 1'b0;
7'd32: begin
sda_dir <= 1'b1;
sda_out <= 1'b1;
end
7'd33: scl <= 1'b1;
7'd34: st_done <= 1'b1; // Non response
7'd35: begin
scl <= 1'b0;
cnt <= 1'b0;
i2c_data_r <= data_r;
end
default : ;
endcase
end
st_stop: begin // end I2C operation
case(cnt)
7'd0: begin
sda_dir <= 1'b1; // end I2C
sda_out <= 1'b0;
end
7'd1 : scl <= 1'b1;
7'd3 : sda_out <= 1'b1;
7'd15: st_done <= 1'b1;
7'd16: begin
cnt <= 1'b0;
i2c_done <= 1'b1; // Pass to upper module I2C End signal
end
default : ;
endcase
end
endcase
end
end
endmodule
LED Alarm module 【led_alarm.v】
`timescale 1ns / 1ps
//
// Company:
// Engineer:
//
// Create Date: 2022/07/21 22:03:45
// Design Name:
// Module Name: led_alarm
// Project Name:
// Target Devices:
// Tool Versions:
// Description:
//
// Dependencies:
//
// Revision:
// Revision 0.01 - File Created
// Additional Comments:
//
//
module led_alarm #(parameter L_TIME = 25'd25_000_000)
(
input clk , // Clock signal
input rst_n , // Reset signal
input rw_done , // Error flag
input rw_result , //E2PROM The reading and writing test is completed
output reg led //E2PROM Reading and writing test results 0: Failure 1: success
);
//reg define
reg rw_done_flag; // Read write test completion flag
reg [24:0] led_cnt ; //led Count
//*****************************************************
//** main code
//*****************************************************
always @(posedge clk or negedge rst_n)begin
if(!rst_n)
rw_done_flag <= 1'b0;
else if(rw_done)
rw_done_flag <= 1'b1;
end
// The error flag is 1 when PL_LED0 flashing , otherwise PL_LED0 Changliang
always @(posedge clk or negedge rst_n) begin
if(!rst_n)begin
led_cnt <= 25'd0;
led <= 1'b0;
end
else begin
if(rw_done_flag)begin
if(rw_result)
led <= 1'b1;
else begin
led_cnt <= led_cnt + 25'd1;
if(led_cnt == L_TIME - 1'b1)begin
led_cnt <= 25'd0;
led <= ~led;
end
end
end
else
led <= 1'b0;
end
end
endmodule
EEPROM Reading and writing judgment module 【eeprom_rw.v】
The logic of this part is relatively simple , Use single segment state machine to realize ( State jump and state action are implemented in a single piece of code ).
`timescale 1ns / 1ps
//
// Company:
// Engineer:
//
// Create Date: 2022/07/21 21:34:30
// Design Name:
// Module Name: eeprom_rw
// Project Name:
// Target Devices:
// Tool Versions:
// Description:
//
// Dependencies:
//
// Revision:
// Revision 0.01 - File Created
// Additional Comments:
//
//
module eeprom_rw(
input clk , // Clock signal
input rst_n , // Reset signal
//i2c interface
output reg i2c_rh_wl , //I2C Read write control signal
output reg i2c_exec , //I2C Trigger execution signal
output reg [15:0] i2c_addr , //I2C Address in device
output reg [ 7:0] i2c_data_w , //I2C Data to write
input [ 7:0] i2c_data_r , //I2C Read out data
input i2c_done , //I2C One operation complete
input i2c_ack , //I2C Answer flag
//user interface
output reg rw_done , //E2PROM The reading and writing test is completed
output reg rw_result //E2PROM Reading and writing test results 0: Failure 1: success
);
//parameter define
//EEPROM Writing data requires adding an interval , Reading data does not require
parameter WR_WAIT_TIME = 14'd5000; // Write interval
parameter MAX_BYTE = 16'd256 ; // Number of bytes for read / write test
//reg define
reg [1:0] flow_cnt ; // State flow control
reg [13:0] wait_cnt ; // Time delay counter
//*****************************************************
//** main code
//*****************************************************
//EEPROM Read and write test , Write before they are read , And compare whether the read value is consistent with the written value
always @(posedge clk or negedge rst_n) begin
if(!rst_n) begin
flow_cnt <= 2'b0;
i2c_rh_wl <= 1'b0;
i2c_exec <= 1'b0;
i2c_addr <= 16'b0;
i2c_data_w <= 8'b0;
wait_cnt <= 14'b0;
rw_done <= 1'b0;
rw_result <= 1'b0;
end
else begin
i2c_exec <= 1'b0;
rw_done <= 1'b0;
case(flow_cnt)
2'd0 : begin
wait_cnt <= wait_cnt + 1'b1; // Delay count
if(wait_cnt == WR_WAIT_TIME - 1'b1) begin //EEPROM Write operation delayed completion
wait_cnt <= 1'b0;
if(i2c_addr == MAX_BYTE) begin //256 Bytes written
i2c_addr <= 1'b0;
i2c_rh_wl <= 1'b1;
flow_cnt <= 2'd2;
end
else begin
flow_cnt <= flow_cnt + 1'b1;
i2c_exec <= 1'b1;
end
end
end
2'd1 : begin
if(i2c_done == 1'b1) begin //EEPROM Single write complete
flow_cnt <= 2'd0;
i2c_addr <= i2c_addr + 1'b1; // Address 0~255 Write separately
i2c_data_w <= i2c_data_w + 1'b1; // data 0~255
end
end
2'd2 : begin
flow_cnt <= flow_cnt + 1'b1;
i2c_exec <= 1'b1;
end
2'd3 : begin
if(i2c_done == 1'b1) begin //EEPROM Single readout complete
// The read value is wrong or I2C Not answered , Read write test failed
if((i2c_addr[7:0] != i2c_data_r) || (i2c_ack == 1'b1)) begin
rw_done <= 1'b1;
rw_result <= 1'b1;
end
else if(i2c_addr == MAX_BYTE - 1'b1) begin // Read write test successful
rw_done <= 1'b1;
rw_result <= 1'b0;
end
else begin
flow_cnt <= 2'd2;
i2c_addr <= i2c_addr + 1'b1;
end
end
end
default : ;
endcase
end
end
endmodule
After editing the code , Compile the code into binary streams , And download it to FPGA On .
experimental result
Press reset , After a short period of time ,EEPROM The read-write module is calibrated successfully ,LED Start blinking 
thus , Successful experiment ,IIC Functional modules can be transplanted .
边栏推荐
- MySql的DDL和DML和DQL的基本语法
- Filter 过滤器
- Redis sentinel mechanism
- Blockbuster live broadcast | orb-slam3 series code explanation map points (topic 2)
- Love yourself first, then others.
- 第一部分—C语言基础篇_11. 综合项目-贪吃蛇
- Part II - C language improvement_ 1. Overview of C language
- Use of redis
- Do you really know the judgement sentence?
- django.db.utils.OperationalError: (2002, “Can‘t connect to local MySQL server through socket ‘/var/r
猜你喜欢

C language from entry to soil (III)

RIoTBoard开发板系列笔记(九)—— buildroot 移植MatchBox

The function of extern, static, register, volatile keywords in C language; Nanny level teaching!

Redis sentinel mechanism

Part II - C language improvement_ 2. Memory partition

Ue4/5 cannot open the file "xxx.generated.h" (cannot open file xxx.generated.h) solution summary

Pytorch deep learning practice lesson 10 / assignment (basic CNN)

定制 or 通用,中国 SaaS 未来发展趋势是什么?

Take you to learn C step by step (second)

FPGA实现AXI4总线的读写
随机推荐
编译与调试(gcc,g++,gdb)
定制 or 通用,中国 SaaS 未来发展趋势是什么?
After grouping, return to the last record group in each group_ Use of concat
Use the root user to create a new user and set the password for
文件上传下载Demo
You don't have to waste your life on others' standards
C语言中extern,static, register,volatile 关键字的作用;保姆级教学!
STM32 ADC based on Hal library uses DMA multi-channel sampling and solves the problems encountered
上传图片base64
Cmake notes
Mongodb application scenario and model selection (massive data storage model selection)
Part II - C language improvement_ 2. Memory partition
Introduction to pyqt5 - student management system
【行测】图形找规律类题目
一日一书:机器学习及实践——从零开始通往kaggle竞赛之路
Camera Hal OEM module ---- CMR_ grab.c
In the era of e-commerce, what should enterprises do in the transformation of social e-commerce?
baddy:核心函数入口
[USB voltmeter and ammeter] Based on stm32f103c8t6 for Arduino
Job search memo