当前位置:网站首页>【花雕体验】11 上手ESP32C3
【花雕体验】11 上手ESP32C3
2022-06-25 23:31:00 【驴友花雕】
昨天收到三块板子:Air103、Pico和ESP32C3

还有二块屏幕(0.96寸、1.8寸)与一片W806扩展板

比较喜欢还是这个组合:ESP32C3+0.96寸屏幕扩展板

焊好排针排插二套ESP32C3+0.96寸屏幕扩展板组合

下面开始了解一下这款开发板的基本情况
1、简介
合宙CORE ESP32-C3核心板,是基于乐鑫ESP32-C3芯片进行设计的一款开发板。
尺寸仅有21mm×51mm,板边采用邮票孔设计,板载 Wi-Fi/BLE天线,方便开发者在不同场景下的使用。核心板支持UART、GPIO、SPI、I2C、ADC、PWM等接口,可根据实际需要选用。

2、主要特色
(1)功能强,应用广
合宙ESP32-C3开发板高集成化设计,板载 Wi-Fi/BLE天线、4MB Flash,支持UART、GPIO、SPI、I2C、ADC、PWM等接口,满足大多数应用;板载CH343P芯片实现更高速率的USB转串口,固件下载更快更稳。
(2)用料足,信号好
合宙ESP32-C3开发板采用4层PCB,板载2.4G天线,经过调试达到了比较好的使用效果。实测2.38到2.48GHz范围内的驻波比(VSWR)值比较好,能够有效的将发射功率辐射到无线空间。
(3)多样化开发更便捷
合宙ESP32-C3开发板目前支持:LuatOS/乐鑫IDF/Arduino/MicroPython等多样化开发方式,使用更便捷。LuatOS固件在社区大神梦程的努力下现已支持以下功能,其他内容正在不断更新。
3、ESP32-C3芯片
ESP32-C3 安全稳定、低功耗、低成本物联网芯片,搭载RISC-V 32位单核处理器,支持2.4 GHz Wi-Fi和蓝牙LE 5.0。为物联网产品提供业界领先的射频性能、完善的安全机制和丰富的内存资源。ESP32-C3 Yes Wi-Fi 和蓝牙 LE 5.0 双支持降低了设备配电网的难度,适用于广泛的物联网应用场景。
ESP32-C3 搭载 RISC-V 32 位单核处理器,时钟频率高达 160 MHz,拥有 22 个可编程 GPIO 引脚、内置 400 KB SRAM,支持 SPI、双 SPI、四通道 SPI 和 QPI 接口,外接多闪存,满足各类物联网产品的功能要求。此外,ESP32-C3 的耐高温性也使其成为照明和工业控制领域的理想选择。

4、开发板硬件资源
尺寸长宽 21mm*51mm
1路SPI FLASH,板载4MB,支持最高 16MB
2路UART接口,UART0~UART1,其中下载口为UART0
6 路 12 比特 ADC,最高采样率 100KSPS
1路低速SPI接口,支持主模式
1路IIC控制器
4路PWM接口
GPIO外部管脚15路,可复用
2路贴片LED指示灯
1路复位按键+1路BOOT按键
1路USB转TTL下载调试口
2.4G PCB板载天线

5、管脚定义

详细管脚描述

又找到一张功能框图

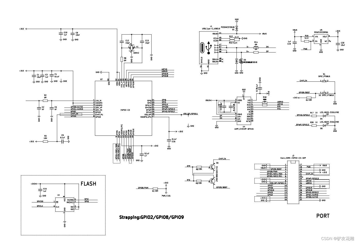
CORE-ESP32-C3开发板原理图

CORE-ESP32-C3开发板原理图新版(无串口芯片版本)

ESP32-C3_PCB
(https://wiki.luatos.com/_static/bom/esp32c3.html)


CORE-ESP32-C3参考尺寸


6、几个功能
(1)供电电源
CORE-ESP32-C3核心板支持以下3种方式供电:
Type-C 接口供电(默认)
5V和GND排针供电
3V3 和 GND 排针供电
调试过程中优先推荐的供电方式:TYPE-C USB接口供电。
(2)LED控制
合宙CORE ESP32核心板板载2颗LED,开发者可参考下表进行对应管脚的控制。

(3)按键介绍
合宙CORE ESP32核心板板载两颗按键,其中BOOT键可实现BOOT下载功能,RST键可实现复位功能。

(4)外置SPI FLASH控制

(5)使用注意事项
a、BOOT(IO09)管脚上电前不能下拉,ESP32会进入下载模式。
b、使用到IO08管脚进行设计,不建议外部直接下拉,因为在下载烧录时,IO08管脚为低电平,不能使用串口进行下载。
c、IO12(GPIO12)、IO13(GPIO13)在QIO模式下为SPI信号SPIHD和SPIWP复用,为了增加可用GPIO数量,开发板选择采用2线SPI的DIO模式,IO12、IO13并未连接flash,使用自己编译的软件时需要注意配置flash为DIO模式。
d、外置SPI flash的VDD已链接至3.3V电源系统,使用时不需再配置其他电源,采用普通2线SPI通信方式,对应管脚如表4-3。
e、GPIO11默认为SPI flash的VDD引脚,需要配置后才能作为GPIO使用。
ESP32-C3相关技术资料
https://wiki.luatos.com/chips/esp32c3/index.html
https://docs.espressif.com/projects/esp-idf/zh_CN/v4.3/esp32c3/index.html
边栏推荐
猜你喜欢
![Making 3D romantic cool photo album [source code attached]](/img/81/68a0d2f522cc3d98bb70bf2c06893a.png)
Making 3D romantic cool photo album [source code attached]

MOS管防倒灌电路设计及其过程分析

idea配置

Musk vs. jobs, who is the greatest entrepreneur in the 21st century

Error 65:access violation at 0x58024400: no 'read' permission

FPGA notes -- implementation of FPGA floating point operation

数组中的第K个最大元素

Vscode shortcut

Anaconda beginner's notes

Binary sort tree
随机推荐
STM32 uses SPI mode to drive TFT-LCD optimization code of hx8347 scheme
Idea configuration
接口的幂等性——详细谈谈接口的幂等即解决方案
Typescript for Web Learning
Inheritance -- holy grail mode
Web information collection, naked runners on the Internet
C#使用MySql进行操作
Unified gateway
Is it safe to open a fund account? Are there any risks?
原生DOM与虚拟DOM
数组中的第K个最大元素
C # operate with MySQL
经典面试题之老鼠试药与汉明码
2022防爆电气操作证考试题库及模拟考试
About EF page turning query database
Casually painted
Freertos+stm32l+esp8266+mqtt protocol transmits temperature and humidity data to Tencent cloud IOT platform
Spark log analysis
Containerd client comparison
Redis strings command