当前位置:网站首页>【FPGA混沌】基于FPGA的混沌系统verilog实现
【FPGA混沌】基于FPGA的混沌系统verilog实现
2022-06-12 03:42:00 【fpga和matlab】
1.软件版本
Quartusii12.1
2.本算法fpga实现过程
这里,我们主要使用的公式为:

首先,我们使用MATLAB进行仿真,得到如下结果:

然后,我们使用FPGA进行实现


此时,式中A=10,B=28,C=8/3为典型参数。
为便于用FPGA实现连续混沌系统,可以采用Euler算法对式进行离散化处理,得到如下离散化方程:

当△T足够小,例如取△T =0.001S,上面两个系统具有相同的动态特性,此时(2)式对应的离散方程为:

本系统我们采用IEEE754单精度表示方法进行表示,可以得到如下的结果。
0.99:3F7D70A3
0.999:3F7FBE76
0.01:3C23D70A
0.001:3A83126E
0.028:3CE56041
0.9973333:3F7F513C
2.1浮点乘法器
该乘法器,我们采用IP核来完成。

图1 乘法器IP核生成步骤1

图2 乘法器IP核生成步骤2

图3乘法器IP核生成步骤3
后面的保持默认的设置即可。
完成,对该核进行仿真,仿真结果如下所示:

图4乘法器IP核仿真
2.2浮点加/减法器

图5加法器IP核生成
其余保持默认,完成加法器IP核的设置。
其仿真结果如下所示:

图6加法器IP核仿真
2.3延迟模块设计
由于得到公式中存在n+1,和n因此,之间存在延迟关系。延迟我们只要通过触发器就可以实现了。其仿真结果如下所示:

图7延迟模块仿真结果
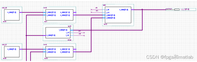
3 系统总体模块设计
我们只要将每一级的输出做一个延迟,就能得到公式右边的x(n),y(n),z(n)。
搭建,其原理图如下所示:

图8 的原理图
![]()



其所有的顶层原理图如下所示:

图11系统顶层原理图
我们对系统进行综合,得到如下结果:

图12系统综合资源占用图
从上,我们可以看到整个系统占用资源较少,主要实用到了大量的乘法器。
对系统进行功能仿真:得到如下的结果:

图13 系统总体仿真结果
3.参考文献
[1]谢国波, 陈平华, 蔡兆波. 一种二次三项式通用FPGA混沌产生器设计[J]. 微计算机信息, 2009.A07-03
边栏推荐
- How to have peace of mind? Get a new heart
- 简单的数据库连接示例
- LINQ group by and select series - LINQ group by and select collection
- The rise of another domestic mobile phone chip is close to the height reached by Huawei
- Lighting Basics: optical model
- webpack---优化_缓存
- MySQL创建用户并授权
- Cloud native overview
- 2020-12-06
- 【鸿蒙】 使用定时器做一个简单的抢红包小游戏
猜你喜欢

Introduce the functions of the new project aleo

$LastExitCode=0, but $?= False in PowerShell. Redirecting stderr to stdout gives NativeCommandError

绝对定位使盒子居中显示的三种方式

Community Conference | the mosn community will release version 1.0 and promote the evolution of the next generation architecture

2020-12-10

成功解决:WARNING: There was an error checking the latest version of pip.

The rise of another domestic mobile phone chip is close to the height reached by Huawei

AI interview bag | Netease mutual entertainment AI Lab artificial intelligence research engineers share on both sides

KV storage separation principle and performance evaluation of nebula graph

TCP three handshakes and four waves
随机推荐
[data recovery in North Asia] data recovery in which the logical volume of the server is changed and the file system is damaged due to system reinstallation
Unity脚本出現missing時的解决方法
1187_ C language implementation of hysteresis processing
Concept and introduction of microservice
Community Conference | the mosn community will release version 1.0 and promote the evolution of the next generation architecture
Redis gets the set of keys prefixed with XXX
Leetcode 6[finding rules] Z-transform the leetcode path of heroding
R language plot visualization: plot visualization of basic 2D histogram, custom setting of color of 2D histogram, and histogram visualization of binary distribution (basic 2D histogram)
Special materials | household appliances, white electricity, kitchen electricity
简单的数据库连接示例
What is the difference between the gin framework of golang and the various methods of receiving parameters and various bindings?
2020-12-10
Use of pnpm package management tool
Hudi of data Lake (14): basic concepts of Apache Hudi
双目标定学习资料整理
微服务概念及介绍
[Yugong series] March 2022 asp Net core Middleware - current limiting
PostgreSQL basic introduction and deployment
Kotlin starts the process, the difference between launch and async, and starts the process in sequence
(idea)the file size(2.85M) exceeds configured limit(2.56M).Code insight features are not available问题