当前位置:网站首页>FPGA (VII) RTL code III (complex circuit design 2)
FPGA (VII) RTL code III (complex circuit design 2)
2022-06-29 03:07:00 【Jian Chen~】
List of articles
FPGA( 5、 ... and )RTL One of the codes ( Cross clock domain design )
FPGA( 6、 ... and )RTL Code two ( Complex circuit design 1)
List of articles
- List of articles
- Preface
- One 、 Linear feedback shift register LFSR
- Two 、Wallace Tree multiplier
- 3、 ... and 、Booth Multiplier
- Four 、4 Bit lead carry adders
- 5、 ... and 、CRC check
- 6、 ... and 、 Clock switching circuit without burrs
- 7、 ... and 、 Unsigned integer divider - Combinatorial logic
- 8、 ... and 、 Unsigned integer divider - Sequential logic
- summary
Preface
It's going to be an interview soon , A little flustered !HDLbits The title of has been finished , But I know I'm not enough , Just start with one B standing UP The Lord intercepted a question bank for brushing questions , Only Title , Write your own code , So there may be a problem with the code written , I'm going to divide it into several sections and release the title code . Only for self-study . If you need it, you can also have a look , If there is an error , I would also like to point out that ! thank you !
One 、 Linear feedback shift register LFSR
LFSR The fundamentals of :( Nine ) Explain the linear feedback shift register (LFSR)
Verilog Of LFSR Reference resources :Verilog Design examples (1) Linear feedback shift register (LFSR)
LFSR( Linear feedback shift register )
Linear feedback shift register (Linear Feedback Shift Register,LFSR).
Just a little bit of a summary :
LFSR It is a kind of FPGA Useful design inside . LFSR Easy to synthesize , This means that they take up relatively few resources , And you can FPGA The interior runs at a very high clock rate .
First, it is based on a shift register , Add feedback function , This feedback function is in FPGA The interior is defined in advance . The output is a step-by-step shift output from the highest bit , Become a sequence ; According to the feedback function , The calculated value increases to the lowest bit of the shift register .LFSR It's cyclical , That is, how many numbers are output , And into the next round , Output an identical round "0"“1”.
Two 、Wallace Tree multiplier
Study the article :【HDL series 】 Multiplier (4)—— The illustration Wallace Trees
Just a little bit of a summary :
The feeling is Full adder , And are calculated separately from carry —— Every time 3 The addends are divided into a group , Compression - 2 An addend , That is, the two addends of compression , One is and , One is carry . Why do you do this ? Reduce door delay !
To design a 8*8 Wallace Tree array multiplier , Put the code here , So as not to download again :
① Full adder
module full_adder(
input a,
input b,
input cin,
output cout, // carry
output s // and
);
assign s = a ^ b ^ cin;
assign cout = a & b | (cin & (a ^ b));
// Equivalent to
//assign {cout,s} = a + b + cin;
endmodule
②CSA adder
module csa #(width=16) (
input [width-1:0] op1,
input [width-1:0] op2,
input [width-1:0] op3,
output [width-1:0] S,
output [width-1:0] C
);
genvar i;
generate
for(i=0; i<width; i++) begin
full_adder u_full_adder(
.a ( op1[i] ),
.b ( op2[i] ),
.cin ( op3[i] ),
.cout ( C[i] ),
.s ( S[i] )
);
end
endgenerate
endmodule
③RCA adder
module rca #(width=16) (
input [width-1:0] op1,
input [width-1:0] op2,
input cin,
output [width-1:0] sum,
output cout
);
wire [width:0] temp;
assign temp[0] = cin;
assign cout = temp[width];
genvar i;
for( i=0; i<width; i=i+1) begin
full_adder u_full_adder(
.a ( op1[i] ),
.b ( op2[i] ),
.cin ( temp[i] ),
.cout ( temp[i+1] ),
.s ( sum[i] )
);
end
endmodule
④ Top level documents
module wallace_mul #(width=8) (
input [width-1:0] X,
input [width-1:0] Y,
output [2*width-1:0] P
);
wire [width-1:0][2*width-1:0] xy;
wire [width*2-1:0] s_lev01;
wire [width*2-1:0] c_lev01;
wire [width*2-1:0] s_lev02;
wire [width*2-1:0] c_lev02;
wire [width*2-1:0] s_lev11;
wire [width*2-1:0] c_lev11;
wire [width*2-1:0] s_lev12;
wire [width*2-1:0] c_lev12;
wire [width*2-1:0] s_lev21;
wire [width*2-1:0] c_lev21;
wire [width*2-1:0] s_lev31;
wire [width*2-1:0] c_lev31;
genvar i;
genvar j;
//generate xy
generate
for(i=0; i<width; i++) begin
for(j=0; j< width; j++) begin
assign xy[i][j] = Y[i] & X[j];
end
assign xy[i][2*width-1 : width] = 8'd0; //for "X"
end
endgenerate
//level 0
csa #(width*2) csa_lev01(
.op1( xy[0] ),
.op2( xy[1] << 1 ),
.op3( xy[2] << 2 ),
.S ( s_lev01),
.C ( c_lev01)
);
csa #(width*2) csa_lev02(
.op1( xy[3] << 3),
.op2( xy[4] << 4),
.op3( xy[5] << 5),
.S ( s_lev02 ),
.C ( c_lev02 )
);
//level 1
csa #(width*2) csa_lev11(
.op1( s_lev01 ),
.op2( c_lev01 << 1 ),
.op3( s_lev02 ),
.S ( s_lev11 ),
.C ( c_lev11 )
);
csa #(width*2) csa_lev12(
.op1( c_lev02 << 1 ),
.op2( xy[6] << 6 ),
.op3( xy[7] << 7 ),
.S ( s_lev12 ),
.C ( c_lev12 )
);
//level 2
csa #(width*2) csa_lev21(
.op1( s_lev11 ),
.op2( c_lev11 << 1 ),
.op3( s_lev12 ),
.S ( s_lev21 ),
.C ( c_lev21 )
);
//level 3
csa #(width*2) csa_lev31(
.op1( s_lev21 ),
.op2( c_lev21 << 1 ),
.op3( c_lev12 << 1 ),
.S ( s_lev31),
.C ( c_lev31)
);
//adder
rca #(2*width) u_rca (
.op1 ( s_lev31 ),
.op2 ( c_lev31 << 1 ),
.cin ( 1'b0 ),
.sum ( P ),
.cout( )
);
endmodule
3、 ... and 、Booth Multiplier
Basic introductory learning : Octet “Booth Binary multiplication algorithm ” Multiplier
About the concept of complement : How to calculate the complement
This article has talked about it in great detail , I won't go into it , If you have time later, try to write one and four digit programs .
Just a little bit of a summary booth Multiplier :
When the multiplicand A A A Multiply by a multiplier B B B when , Multiply directly by complement , namely A repair ∗ B repair A_ repair *B_ repair A repair ∗B repair , In binary computation , Multiplier complement B repair = y n − 1 y n − 2 y n − 3 . . . y 2 y 1 y 0 y − 1 B_ repair =y_{n-1}y_{n-2}y_{n-3}...y_2y_1y_0y_{-1} B repair =yn−1yn−2yn−3...y2y1y0y−1, This time we need to use some rules :
A ride :
| y i − 1 − y i y_{i-1}-y_i yi−1−yi | The sign is positive or unsigned , Take and add ; Negative sign , Subtract |
|---|
Examples are as follows , With (-6)x(-7) For example , The complement multiplication is 1010x1001, List the vertical :
Double multiplication :
| y i − 1 + y i − 2 ∗ y i + 1 y_{i-1}+y_i-2*y_{i+1} yi−1+yi−2∗yi+1 | The sign is positive or unsigned , Take and add ; Negative sign , Subtract |
|---|
Examples are as follows , With (-6)x(-7) For example , The complement multiplication is 1010x1001, List the vertical :
Four 、4 Bit lead carry adders
Verilog—— Serial four bit adder and leading four bit adder 74HC283
Refer to the above article , You can know the principle .
But the code input above should be A , B A,B A,B, So I changed it :
1. RTL Code
//filename:ahead_gene_circuit.v
module ahead_gene_circuit(
input [3:0] A,B ,
input C01 ,
output [3:0] C ,
output reg[3:0] S
);
/* Parameter description : Input : P,G Intermediate variables defined for , Generate variables Gi, Transfer variables Pi Ci Is the carry from the low order Output : C For each carry signal S Add the sum of carry */
// According to the logical expression of each carry signal , Data flow modeling .
wire [3:0] P,G;
assign G = A & B;
assign P = A ^ B;
assign C[0]=G[0]|(P[0]&C01);
assign C[1]=G[1]|(P[1]&C[0]);
assign C[2]=G[2]|(P[2]&C[1]);
assign C[3]=G[3]|(P[3]&C[2]);
always @(*) begin
S[0] = P[0] ^ C01;
S[1] = P[1] ^ C[0];
S[2] = P[2] ^ C[1];
S[3] = P[3] ^ C[2];
end
endmodule
2. Testbench Code
//filename:tb_ahead_Bene_C01rcuit.v
`timescale 10ns/1ns
module tb_ahead_gene_circuit;
reg [3:0] A,B;
reg C01;
wire [3:0] C;
wire [3:0] S;
ahead_gene_circuit U(A,B,C01,C,S);
initial begin
A=4'b0000;B=4'b0000;C01=0;
#5;
A=4'b1111;B=4'b1111;C01=0;
#5;
A=4'b1010;B=4'b1010;C01=1;
#5;
A=4'b1010;B=4'b1010;C01=1;
#5;
A=4'b0010;B=4'b1010;C01=1;
end
endmodule
3. Timing simulation diagram

5、 ... and 、CRC check
1. principle
Cyclic redundancy check (Cyclic Redundancy Check, CRC) It is a kind of channel coding technology that generates short fixed digit check code according to data such as network packets or computer files , It is mainly used to detect or verify the possible errors after data transmission or saving . It uses the principle of division and remainder to detect errors .( Source Baidu )
CRC Cyclic redundancy check code (Cyclic Redundancy Check): It is the most commonly used error checking code in the field of data communication , Its characteristic is that the length of information field and verification field can be arbitrarily selected . Cyclic redundancy check (CRC) Is a data transmission error detection function , Polynomial calculation of data , And attach the result to the back of the frame , The receiving device performs a similar algorithm , To ensure the correctness and integrity of data transmission .( come from CRC Online computing applet )
①CRC Verification principle and implementation
②CRC check ( One )—— principle
③ History explains CRC The clearest article
④FPGA Code of hand tear ——CRC There are many kinds of check codes Verilog Realization way
You can learn from the above four blogs CRC 了 !
About model 2 division , When adding and subtracting , It's like using Exclusive or To perform bitwise calculations !
Paste a picture first :
About REFIN and REFOUT The problem with these two parameters , yes Reverse by byte , Blog on it ① This point is not made clear , And there are mistakes in the comments below , Let's talk in detail here :
The so-called byte inversion , It is to reverse the order of every eight , such as 0x34, by 8’b0011_0100, The reverse order is 8’b0010_1100; An example is easily misunderstood , For another , such as 0x415a, by 16’b0100_0001_0101_1010, The reverse order is followed by 16’b1000_0010_0101_1010.
The next section on the code , Just use the ④ Write a blog . Go straight up subject :
use Verilog Realization CRC-8 Serial computing ,G(D)=D8+D2+D+1, The calculation process is shown in the figure below :
2. RTL Code
① Parallel computing , Serial output
// Parallel computing , Serial output
module crc_8(
input clk ,
input rst ,
input data_in ,// Serial input data
input data_valid ,// Mandatory Sign , This signal is 1 when , Corresponding data That's what works
input crc_start ,//CRC Start signal of calculation , A pulse of a clock signal
output reg crc_out ,// Serial CRC Output
output reg crc_valid //CRC valid instructions
);
reg [7:0] lfsr_q; // Register output
reg [7:0] lfsr_c; // Register input
// According to the flow chart , Use combinatorial logic to realize XOR operation and data transfer
always @(*) begin
lfsr_c[0] = lfsr_q[7] ^ data_in;
lfsr_c[1] = lfsr_q[0] ^ lfsr_q[7] ^ data_in;
lfsr_c[2] = lfsr_q[1] ^ lfsr_q[7] ^ data_in;
lfsr_c[3] = lfsr_q[2];
lfsr_c[4] = lfsr_q[3];
lfsr_c[5] = lfsr_q[4];
lfsr_c[6] = lfsr_q[5];
lfsr_c[7] = lfsr_q[6];
end
// Register data update , That is, data from input to output , To use temporal logic
always @ (posedge clk) begin
if(rst) begin
lfsr_q <= {
8{
1'b1}}; // Register initialization Here are all 1
end
else begin
lfsr_q <= data_valid ? lfsr_c : lfsr_q; // Update if the input data is valid , If not, wait , Keep it as it is.
end
end
// Serial output
reg [2:0] count;
always @ (posedge clk) begin
if(rst) begin
crc_out <= 0;
count <= 0;
end
else begin
if(data_valid) begin
crc_out <= data_in;
crc_valid <= 1'b0;
end
else if(crc_start)begin
count <= count + 1'b1;
crc_out <= lfsr_q[7-count];
crc_valid <= 1'b1;
end
else begin
crc_valid <= 1'b0;
end
end
end
endmodule
② Serial computing , Serial output
// Serial computing , Serial output
module CRC_8(
input clk ,
input rst ,
input data_in ,// Serial input data
input data_valid ,// Mandatory Sign , This signal is 1 when , Corresponding data That's what works
input crc_start ,//CRC Start signal of calculation , A pulse of a clock signal
output reg crc_out ,// Serial CRC Output
output reg crc_valid //CRC valid instructions
);
reg [7:0] crc_reg;
always @ (posedge clk) begin
if(rst) begin
crc_reg <= 8'hff; // The initialization assignment is all 1
end
else begin
if(data_valid) begin // When the data is valid , Conduct CRC Calculation
crc_reg <= next_crc(data_in, crc_reg);
end
end
end
// Serial output
reg [2:0] count;
always @ (posedge clk)
begin
if(rst) begin
crc_out <= 0;
count <= 0;
end
else begin
if(data_valid) begin
crc_out <= data_in;
crc_valid <= 1'b0;
end
else if(crc_start)begin
count <= count + 1'b1;
crc_out <= crc_reg[7-count];
crc_valid <= 1'b1;
end
else begin
crc_valid <= 1'b0;
end
end
end
/* Building functions : According to the input signal data_in, Jump CRC The state of . The design logic is ① take CRC The data of the register is shifted to the left 1 position , Make up zero for low position : {current_crc[6:0],1'b0} ② New amount u The data of data_in And removed CRC The highest bit does XOR : current_crc[7]^data_in ③ Use bit splices to bit extend XOR results ,CRC-8 Conduct 8 Bit expansion : {8{current_crc[7]^data_in} ④ Expand the data and generate polynomials for and operation : {8{current_crc[7]^data_in}} & (8'h07) ⑤ take ① The data and ④ Perform XOR operation on the data of , obtain CRC result Above these ,① It's right CRC Low order processing ,②~⑤ It's right CRC The highest processing This 8'h07, It's because the topic requires G(D)=D8+D2+D1+D0, And the highest D8 It doesn't matter , So it should be 0000_0111 */
function [7:0] next_crc;
input data_in;
input [7:0] current_crc;
begin
next_crc = {
current_crc[6:0],1'b0} ^ ({
8{
current_crc[7]^data_in}} & (8'h07));
end
endfunction
endmodule
3. Testbench Code
module crc8_tb();
reg clk;
reg rst;
reg data_in;
reg data_valid;
reg crc_start;
wire crc_out;
wire crc_valid;
initial begin
clk = 0;
rst = 1;
#50;
rst = 0;
crc_start = 0;
data_in = 1;
data_valid = 1;
#640;
data_in = 0;
data_valid = 0;
crc_start = 1;
#160;
crc_start = 0;
#100;
$stop;
end
always #10 clk = ~clk;
CRC_8 U0(
.clk(clk),
.rst(rst),
.data_in(data_in),
.data_valid(data_valid),
.crc_start(crc_start),
.crc_out(crc_out),
.crc_valid(crc_valid)
);
endmodule
4. Timing simulation diagram

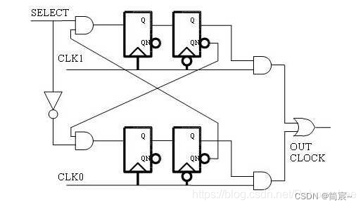
6、 ... and 、 Clock switching circuit without burrs
Clock switching circuit without burrs (Glitch-free clock switching circuit) Design (Verilog)
The above article says “ Correlation clock ”, A multiple of two clock frequencies , and “ Irrelevant clock ”, It means that there is no correlation between the two clocks , The code in this case , It can be used for clock switching in any case , But this is relative to “ Correlation clock ” In this way, there are clock switching under specific conditions , It must be more complicated in circuit and code .
Point out , A circle below the clock end of the register indicates that the falling edge triggers , If not, the rising edge triggers .
1. Burr free clock switching of related clocks
① circuit

②RTL Code
module glitch_free (
input clk0, // Clock
input clk1,
input select,
input rst_n, // Asynchronous reset active low
output clkout
);
wire mid_clk0_n, mid_clk1_n; // Register inverting end output
wire mid_clk0, mid_clk1; // The input of the register , That is, the output of and gate
reg mid_clk0_r, mid_clk1_r; // The output of the register
assign mid_clk1 = select & mid_clk0_n;
assign mid_clk0 = ~select & mid_clk1_n;
assign mid_clk0_n = ~mid_clk0_r;
assign mid_clk1_n = ~mid_clk1_r;
always @(negedge clk0 or negedge rst_n) begin
if(!rst_n)
mid_clk0_r <= 1'b0;
else
mid_clk0_r <= mid_clk0;
end
always @(negedge clk1 or negedge rst_n) begin
if(!rst_n)
mid_clk1_r <= 1'b0;
else
mid_clk1_r <= mid_clk1;
end
assign clkout = (mid_clk0_r & clk0) | (mid_clk1_r & clk1);
endmodule
③Testbench Code
`timescale 1ns / 1ps
module test_tb;
reg clk0, clk1;
reg select;
wire clkout;
initial begin
clk0 = 0;
forever
#2 clk0 = ~clk0;
end
initial begin
clk1 = 0;
forever
#5 clk1 = ~clk1;
end
reg rst_n;
initial begin
select = 0;
rst_n = 0;
#5
rst_n = 1;
#30
select = 1;
#40
select = 0;
end
glitch_free inst_glitch_free (.clk0(clk0), .clk1(clk1), .select(select), .rst_n(rst_n), .clkout(clkout));
endmodule
④ Timing simulation diagram

2. Burr free clock switching of irrelevant clock
① circuit

②RTL circuit
module glitch_free (
input clk0, // Clock
input clk1,
input select,
input rst_n, // Asynchronous reset active low
output clkout
);
wire mid_clk0;
reg mid_clk0_r1, mid_clk0_r2, mid_clk0_r2n;
wire mid_clk1;
reg mid_clk1_r1, mid_clk1_r2, mid_clk1_r2n;
assign mid_clk1 = select & mid_clk0_r2n;
assign mid_clk0 = ~select & mid_clk1_r2n;
// The first stage trigger samples with the rising edge , And operation of selection signal and feedback signal
[email protected](posedge clk1 or negedge rst_n) begin
if(~rst_n) mid_clk1_r1 <= 0;
else mid_clk1_r1 <= mid_clk1;
end
// The second stage trigger samples with the falling edge
[email protected](negedge clk1 or negedge rst_n) begin
if(~rst_n) begin
mid_clk1_r2 <= 0;
mid_clk1_r2n <= 1;
end
else begin
mid_clk1_r2 <= mid_clk1_r1;
mid_clk1_r2n <= ~mid_clk1_r1;
end
end
// The first stage trigger samples with the rising edge , And operation of selection signal and feedback signal
[email protected](posedge clk0 or negedge rst_n) begin
if(~rst_n) mid_clk0_r1 <= 0;
else mid_clk0_r1 <= mid_clk0;
end
// The second stage trigger samples with the falling edge
[email protected](negedge clk0 or negedge rst_n) begin
if(~rst_n) begin
mid_clk0_r2 <= 0;
mid_clk0_r2n <= 1;
end
else begin
mid_clk0_r2 <= mid_clk0_r1;
mid_clk0_r2n <= ~mid_clk0_r1;
end
end
wire mid_clk11, mid_clk00;
assign mid_clk11 = clk1 & mid_clk1_r2;
assign mid_clk00 = clk0 & mid_clk0_r2;
assign clkout = mid_clk11 | mid_clk00;
endmodule
The simulation incentive file is the same as above .
7、 ... and 、 Unsigned integer divider - Combinatorial logic
Verilog – Unsigned integer divider ( One )
Mathematical operations ( 3、 ... and )—— Unsigned divisor
Just a little bit of a summary :
Unsigned integer divider , It is through comparator and subtracter , Find the quotient and remainder , It is similar to the division process of manual calculation , Or the method of division by tossing and turning .
Put down the extracted flow chart , Easy to understand :
I just moved the code down ! before this , Let's start with an example algorithm diagram :
1. RTL Code
module int_div(
input[31:0] a,
input[31:0] b,
output reg [31:0] yshang,
output reg [31:0] yyushu
);
reg[31:0] tempa;
reg[31:0] tempb;
reg[63:0] temp_a;
reg[63:0] temp_b;
integer i;
always @(a or b) begin
tempa <= a;
tempb <= b;
end
always @(tempa or tempb) begin
temp_a = {
32'h00000000,tempa};
temp_b = {
tempb,32'h00000000};
for(i = 0;i < 32;i = i + 1) begin
temp_a = {
temp_a[62:0],1'b0};
if(temp_a[63:32] >= tempb)
temp_a = temp_a - temp_b + 1'b1;
else
temp_a = temp_a;
end
yshang <= temp_a[31:0];
yyushu <= temp_a[63:32];
end
endmodule
2. Testbench Code
`timescale 1ns/1ps
module div_fsm_tb();
parameter DATAWIDTH = 16;
reg clk;
reg rstn;
reg en;
wire ready;
reg [DATAWIDTH-1:0] dividend;
reg [DATAWIDTH-1:0] divisor;
wire [DATAWIDTH-1:0] quotient;
wire [DATAWIDTH-1:0] remainder;
wire vld_out;
wire [DATAWIDTH-1:0] quotient_ref; // true result
wire [DATAWIDTH-1:0] remainder_ref;
assign quotient_ref = dividend/divisor;
assign remainder_ref = dividend%divisor;
always #1 clk = ~clk;
integer i;
initial begin
clk = 1;
rstn = 1;
en = 0;
#2 rstn = 0; #2 rstn = 1;
repeat(2) @(posedge clk);
for(i=0;i<10;i=i+1) begin
en <= 1;
dividend <= $urandom()%1000;
divisor <= $urandom()%100;
wait (ready == 1);
wait (vld_out == 1);
end
end
initial begin
$fsdbDumpvars();
$fsdbDumpMDA();
$dumpvars();
#1000 $finish;
end
div_fsm #(
.DATAWIDTH ( DATAWIDTH ))
U_DIV_FSM_0(
.clk ( clk ),
.rstn ( rstn ),
.en ( en ),
.ready ( ready ),
.dividend ( dividend ),
.divisor ( divisor ),
.quotient ( quotient ),
.remainder ( remainder ),
.vld_out ( vld_out )
);
endmodule
3. Timing simulation diagram

Because the pure combinational logic implementation may have a large delay , And the latch may be integrated , Therefore, the design of sequential logic is a better choice .
8、 ... and 、 Unsigned integer divider - Sequential logic
Verilog – Unsigned integer divider ( Two )
The flow chart is the same as the one above , I change the code directly according to my habit , Put it underneath. .
1. RTL Code
`timescale 1ns/1ps
module div_fsm #(
parameter DATAWIDTH=8
)(
input clk ,
input rstn ,
input en , // Enable flag
output wire ready , // Flag signal bit , Use in excitation simulation
input [DATAWIDTH-1:0] dividend , // Divisor
input [DATAWIDTH-1:0] divisor , // Divisor
output wire [DATAWIDTH-1:0] quotient , // merchant
output wire [DATAWIDTH-1:0] remainder, // remainder
output wire vld_out // Output flag bit , Use in simulation stimulation
);
reg [DATAWIDTH*2-1:0] dividend_e ; // Divisor , Intermediate quantity
reg [DATAWIDTH*2-1:0] divisor_e ; // Divisor , Intermediate quantity
reg [DATAWIDTH-1:0] quotient_e ; // merchant , Intermediate quantity
reg [DATAWIDTH-1:0] remainder_e; // remainder , Intermediate quantity
/* The reason for setting such an intermediate quantity , Because in some simulation software , If you directly assign a value to the defined output , Will report a mistake , Unable to synthesize */
reg [1:0] current_state,next_state;
reg [DATAWIDTH-1:0] count; // Shift count
parameter IDLE =2'b00 ,
SUB =2'b01 ,
SHIFT=2'b10 ,
DONE =2'b11 ;
// State machine ①: Sequential logic , Pass register status
[email protected](posedge clk or negedge rstn)
if(!rstn) current_state <= IDLE;
else current_state <= next_state;
// State machine ②: Combinatorial logic , According to the current state and current input , Determine the state of the next state machine , Be careful , Here we use non blocking assignment
always @(*) begin
next_state <= 2'bx;
case(current_state)
IDLE : next_state <= en ? SUB :IDLE;
SUB : next_state <= SHIFT;
SHIFT : next_state <= (count<DATAWIDTH) ? SUB : DONE;
DONE : next_state <= IDLE;
endcase
end
// State machine ③: Sequential logic , According to the current state and current input , Determine the output signal
[email protected](posedge clk or negedge rstn) begin
if(!rstn)begin
dividend_e <= 0;
divisor_e <= 0;
quotient_e <= 0;
remainder_e <= 0;
count <= 0;
end
else begin
case(current_state)
IDLE:begin // Bit expansion of divisor and dividend
dividend_e <= {
{
DATAWIDTH{
1'b0}},dividend};
divisor_e <= {
divisor,{
DATAWIDTH{
1'b0}}};
end
SUB:begin // Divisor >= Divisor ? Divisor = ( Divisor - Divisor + 1) : ( displacement )
if(dividend_e>=divisor_e)begin
quotient_e <= {
quotient_e[DATAWIDTH-2:0],1'b1};
dividend_e <= dividend_e-divisor_e;
end
else begin
quotient_e <= {
quotient_e[DATAWIDTH-2:0],1'b0};
dividend_e <= dividend_e;
end
end
SHIFT:begin // Number of shifts < The division digit is wide ? The dividend is moved to the left 1 position : Output the current value of the dividend
if(count<DATAWIDTH)begin
dividend_e <= dividend_e<<1;
count <= count+1;
end
else begin
remainder_e <= dividend_e[DATAWIDTH*2-1:DATAWIDTH];
end
end
DONE:begin
count <= 0;
end
endcase
end
end
assign quotient = quotient_e;
assign remainder = remainder_e;
assign ready=(current_state==IDLE)? 1'b1:1'b0;
assign vld_out=(current_state==DONE)? 1'b1:1'b0;
endmodule
2. Testbench Code
`timescale 1ns/1ps
module div_fsm_tb();
parameter DATAWIDTH = 16;
reg clk;
reg rstn;
reg en;
wire ready;
reg [DATAWIDTH-1:0] dividend;
reg [DATAWIDTH-1:0] divisor;
wire [DATAWIDTH-1:0] quotient;
wire [DATAWIDTH-1:0] remainder;
wire vld_out;
wire [DATAWIDTH-1:0] quotient_ref; // true result
wire [DATAWIDTH-1:0] remainder_ref;
assign quotient_ref = dividend/divisor;
assign remainder_ref = dividend%divisor;
always #1 clk = ~clk;
integer i;
initial begin
clk = 1;
rstn = 1;
en = 0;
#2 rstn = 0; #2 rstn = 1;
repeat(2) @(posedge clk);
for(i=0;i<10;i=i+1) begin
en <= 1;
dividend <= $urandom()%1000;
divisor <= $urandom()%100;
wait (ready == 1);
wait (vld_out == 1);
end
end
initial begin
$fsdbDumpvars();
$fsdbDumpMDA();
$dumpvars();
#1000 $finish;
end
div_fsm #(
.DATAWIDTH ( DATAWIDTH ))
U_DIV_FSM_0(
.clk ( clk ),
.rstn ( rstn ),
.en ( en ),
.ready ( ready ),
.dividend ( dividend ),
.divisor ( divisor ),
.quotient ( quotient ),
.remainder ( remainder ),
.vld_out ( vld_out )
);
endmodule
3. Timing simulation diagram

summary
Code based !
Many things are really profound , It takes a lot of time to write bit by bit , So there are also complete blogs written by others directly here , There are also people who take other people's things directly , But there are notes ( Although it is not marked one by one like writing literature ).
I think it's good for my study , So I did it . If infringement is involved , Please contact me ; If you find something wrong , Please also contact me ! thank you !
边栏推荐
- [linear algebra] 1.1 second and third order determinants
- Stm32l4 Series MCU ADC accurately calculates input voltage through internal reference voltage
- PMP商业分析概述
- Analytic hierarchy process (AHP)
- Have you learned the common SQL interview questions on the short video platform?
- map,set用pari作为key值,如何定义
- 2022-2028 global UAV detection radar industry research and trend analysis report
- Install mysql5.7 and change the password
- Today's sleep quality record 82 points
- How to optimize databases and tables
猜你喜欢

音响是如何把微弱声音放大呢

Matlab exercises - image drawing exercises

18. `bs对象.节点名.next_sibling` 获取兄弟节点

allegro 设计中显示网络飞线或关闭网络飞线的方法

The thinkphp5.1 runtime file has been changed to 777 permission, but cannot be written

Regular expression (?: pattern)

Relations EMC, EMI, EMS

2022-2028 global bubble CPAP system industry survey and trend analysis report

The method of exporting packages of all components from existing PCBs in Altium Designer

18. `bs object Node name next_ Sibling` get sibling nodes
随机推荐
PAT甲级 A1057 Stack
Pytoch Learning Series: Introduction
18. `bs object Node name next_ Sibling` get sibling nodes
測試入門——集成測試
Eight difficulties of embedded C language
Square root of X
Double click events and click events
Delphi time to timestamp
ArrayList basic operation and add element source code
深入解析 Apache BookKeeper 系列:第三篇——读取原理
In the name of love, fresh e-commerce companies rush to sell flowers on Valentine's Day
Relationship between EMC, EMI and EMS
priority_queue的理解
Informatics Olympiad all in one 1361: production | Luogu P1037 [noip2002 popularization group] production
2022-2028 global long wave infrared camera and camera core industry research and trend analysis report
【云原生】这么火,你不来了解下?
归并排序
Oracle recovery tools actual batch bad block repair
Allegro's method of setting network flying line and network color
2022-2028 global low carbon concrete industry research and trend analysis report