当前位置:网站首页>Generation and transformation of pulse waveform
Generation and transformation of pulse waveform
2022-07-26 11:13:00 【Li Yuchen】


Welcome to learn digital circuit —— Generation and transformation of pulse waveform .( It is also the last issue of Electronic Technology )
Here we will talk about multivibrator 、 Monostable trigger 、 Schmidt trigger and 555 Time base circuit , I hope that through our study, you will better understand the mystery of digital circuits .
Catalog
One 、 Common pulse generation circuit
(2) Several common pulse deformations
(3) Parameters of rectangular pulse signal
(1) Multivibrator composed of integrated gate circuit
② Estimation of oscillation period
(2) Quartz crystal multivibrator
(1) Integrated monostable trigger that cannot be triggered repeatedly
① Pin arrangement and graphic symbols
(2) Repeatable integrated monostable trigger
① Pin arrangement and graphic symbols
(1) The main parameters and working waveforms of Schmidt trigger
(2)CMOS Integrated Schmidt trigger
(3)TTL Integrated Schmidt trigger
Two 、555 Time base circuit and Its Application
(1) Circuit composition is pin function
2.555 Application of time base circuit
One 、 Common pulse generation circuit
1. Basic concept of pulse
(1) Concept of pulse
Pulse refers to a Sudden change 、 Very short duration Voltage or current signal . It can be cyclical , It can also be aperiodic or single .
As shown in the figure, the circuit is a simple rectangular pulse wave signal generator , Switch on and off repeatedly S, In resistance
Output voltage waveform obtained on , It's a series of rectangular pulse waves .

The waveform diagram is shown in the figure :

The pulse signal has Positive and negative . If the value after pulse jump is higher than the initial value , Then for Positive pulse ; Instead of Negative pulse . As shown in the figure :

(2) Several common pulse deformations
There are many kinds of pulse signals , Common pulse waveforms are Rectangular wave 、 Sawtooth wave 、 Spike wave 、 Trapezoidal wave 、 Step wave etc. , As shown in the figure . The pulse waveform used in digital circuits is usually Rectangular wave .

(3) Parameters of rectangular pulse signal

① Pulse amplitude
The amount of change between the starting value and the maximum value of the pulse , Parameters characterizing the strength of pulse signal .
② Pulse rise time 
The side where the pulse suddenly changes from the starting value is called the pulse front . The pulse front is from 0.1
Rise to 0.9
The time required is called rise time
.
The smaller the value. , The steeper the pulse front , The closer the waveform is to the ideal pulse waveform .
③ Pulse down time 
The side where the pulse jumps from the peak value to the starting value is called the pulse trailing edge . The trailing edge of the pulse is from 0.9
Down to 0.1
The time required is called the descent time
.
The smaller the value. , The steeper the trailing edge of the pulse .
④ Pulse width 
stay 0.5
The time between the leading edge and the trailing edge of a pulse is called the pulse width
.
The bigger it is , The longer the duration after the pulse appears .
⑤ Pulse period 
Periodically repeated pulses , Two adjacent pulse fronts ( Or trailing edge ) The time interval between them is called pulse period
. The reciprocal is the frequency of the pulse
,
.
⑥ Duty cycle 
Pulse width
And pulse period
The ratio is called duty cycle .
namely
.
Duty ratio 50% The rectangular wave of is square wave .
2. Multivibrator
Multivibrator is a self-excited oscillator , It can generate rectangular pulse without input signal . After the multivibrator vibrates , The circuit has no stable state , Only two transient steady states alternate , Output continuous rectangular pulse signal , So it's also called No steady state circuit . Its graphical symbols are shown in the figure :

(1) Multivibrator composed of integrated gate circuit
① Circuit composition
As shown in the figure, it is a commonly used non gate circuit multivibrator , The two non gates in the figure are connected RC Coupled positive feedback circuit , Make it oscillate .RC Another important function of is to form a timing circuit , Determine the oscillation frequency and pulse width of the multivibrator .

② Estimation of oscillation period
The period of the rectangular pulse is charged by the capacitor 、 The discharge time determines , It can be estimated by the following formula :

in application , Often by changing capacitors C To roughly adjust the oscillation period , By changing the resistance R To fine tune the oscillation period , Make the oscillation frequency of the circuit meet the requirements .
use RC As a timing element and non gate circuit, multivibrator has many circuit forms .
As shown in the figure :


(2) Quartz crystal multivibrator
Connect quartz crystal in multivibrator , Quartz crystal multivibrator can be formed . As shown in the figure :

When the signal frequency and the inherent resonant frequency of quartz crystal When equal , Its impedance is 0, Make the signal easy to pass , Form positive feedback , Produce oscillations . For other frequencies , Quartz crystal presents high impedance , The path of positive feedback is cut off , No vibration . therefore , The frequency of the rectangular wave output by the oscillator It is equal to the resonant frequency of quartz crystal
, Independent of other component parameters of the circuit .
The temperature coefficient of quartz crystal is very small , The oscillation frequency is stable , The reference time signal commonly used in electronic equipment .
3. Monostable trigger
Monostable trigger refers to a waveform conversion circuit with one steady state and one transient steady state . Its working characteristics are as follows : ① It has a stable state and a temporary stable state . If there is no external trigger pulse , The circuit will always remain stable .
② Under the action of external trigger pulse , Can flip from steady state to transient state , After the transient state is maintained for a period of time , Then automatically return to the steady state .
③ The duration of transient steady state usually depends on RC The charge of the circuit 、 Discharge process to maintain . It is independent of the width and amplitude of the trigger pulse .
(1) Integrated monostable trigger that cannot be triggered repeatedly
Once the unrepeatable triggered monostable trigger is triggered into the transient state , Add trigger pulse , The output pulse width of the circuit
Not affected by it , Still by R、C Parameter determination , It must be after the end of the transient state , It can receive the next trigger pulse and turn into transient state . Graphic symbols and working waveforms of integrated monostable trigger that cannot be triggered repeatedly . As shown in the figure :

① Pin arrangement and graphic symbols
TTL Integrated monostable trigger 74LS121 The pin arrangement and logic symbols of are shown in the figure :

② logic function
As shown in the figure, the integrated monostable trigger 74LS121 My menu :

(a) Prohibit trigger state
When B High level ,
、
One of the inputs in is low level , The circuit is in the forbidden trigger state ,
End maintenance 0.
When B Low power level , The circuit is in the forbidden trigger state ,
End maintenance 0.
When
、
Both inputs are at high level , The circuit is in the forbidden trigger state ,
End maintenance 0.
(b) Monostable trigger
When B High level ,
、
One or two of them are produced by 1 To 0 Negative jump time of ,
There is positive pulse output at the end .
When
、
One or both of the two inputs are low ,B Produced by 0 To 1 Positive jump time of ,
There is positive pulse output at the end .
(2) Repeatable integrated monostable trigger
The monostable trigger that can be triggered repeatedly enters the transient state after the circuit is triggered , If the trigger pulse is added again , The circuit will be triggered again , Keep the output pulse for another
Width . Its output pulse width can be changed according to the different input conditions of the trigger pulse .
The graphic symbols and working waveforms of the integrated monostable trigger that can be triggered repeatedly are shown in the figure :

① Pin arrangement and graphic symbols
74LS123 The chip contains two independent monostable triggers that can be triggered repeatedly , Each circuit has its own positive trigger input B、 Negative trigger input
、 Reset input
、 External capacitor terminal
、 External resistance / Capacitor end
/
、 Output terminal
and
, As shown in the figure :

② logic function
The figure shows an integrated monostable trigger that can be triggered repeatedly 74LS123 My menu :

(a) Reset and clear
When
=0 when , No matter what the state of other inputs , Output terminal
Immediately for 0. so
The reset function of has the highest priority . When using other input pin functions ,
Must set 1.
(b) Monostable trigger
When
=1、
=0,B from 0 To 1 Positive jump time ,Q There is positive pulse output at the end .
When
=1、B=1,
from 1 To 0 Negative jump time ,Q There is positive pulse output at the end .
When
=0、B=1,
from 0 To 1 Positive jump time ,Q There is positive pulse output at the end .
(c) No triggering
stay
=1 or B=0 when , The circuit is in the forbidden trigger state ( I.e. stable state ),Q maintain 0.
4. Schmidt trigger
Schmidt trigger is a bistable trigger maintained by input trigger signal . Its characteristics are :
The circuit has two steady states ,
When the input signal voltage rises to the upper limit trigger voltage
when , The circuit flips to the second steady state ;
When the input trigger signal decreases to the lower trigger voltage
when , The circuit returns from the second steady state to the first steady state .
(1) The main parameters and working waveforms of Schmidt trigger
Schmidt trigger has two types of in-phase output and inverse output . Its graphical symbols and voltage transmission characteristics are shown in the figure :

① main parameter
Upper trigger voltage ( Forward threshold voltage )
In the process of rising , Output voltage
Generate the input voltage value corresponding to the jump .
Lower trigger voltage ( Negative threshold voltage )
During the descent , Output voltage
Generate the input voltage value corresponding to the jump .
Return differential voltage 
The greater the return differential voltage , The stronger the anti-interference of Schmidt trigger .( Hysteresis characteristics )
② Working waveform
As shown in the figure , When inputting triangular wave , According to the voltage transmission characteristics of Schmidt trigger , The output waveform of the corresponding Schmidt trigger can be obtained .

(2)CMOS Integrated Schmidt trigger
CC4093 For four 2 Enter Schmidt NAND gate , Pin and 74LS00 compatible .
CC40106 by Six Schmidt inverters , Pin and 74LS04 compatible . It has the same logic function as ordinary inverter , The difference lies in the existence of Schmidt inverter 、 Lower trigger voltage . Different models of integrated Schmidt trigger
and
Specific values can be found in the integrated circuit manual . As shown in the figure, the static parameters are shown in the table :


(3)TTL Integrated Schmidt trigger
74LS24、74LS32、74LS132 by Four 2 Enter Schmidt NAND gate , Pin and 74LS00 compatible .
74LS13、74LS18 by Two 4 Enter Schmidt NAND gate , Pin and 74LS20 compatible .
74LS14、74LS19 by Six Schmidt inverters , Pin and 74LS04 compatible . The typical values of its main parameters are shown in the table :

Two 、555 Time base circuit and Its Application
1.555 Time base circuit
(1) Circuit composition is pin function
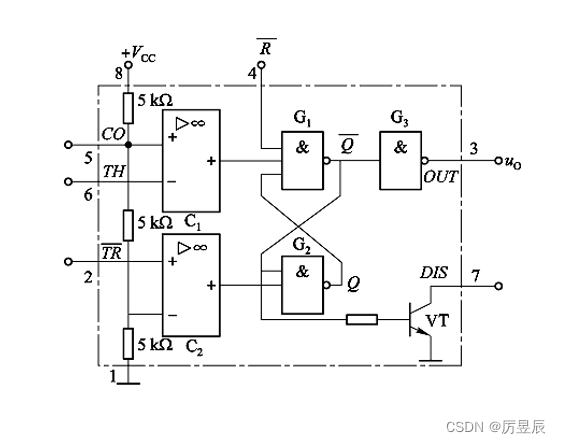
① Circuit composition
Usually by voltage divider 、 The comparator 、 Trigger and switch and output are composed of four parts . As shown in the figure :

② Pin function
As shown in the picture 555 External pins and functions of time base circuit :

(2) logic function
The function table is shown in the following table :

2.555 Application of time base circuit
(1) Form a multivibrator
① Circuit composition
The picture shows 555 A typical multivibrator composed of a time base circuit .

② working process
Let the initial voltage at both ends of the capacitor in the circuit be 0,
when , The output terminal is high level , The discharge end is disconnected . Power Supply
For capacitance C Charge , Charging circuit
The earth , The output is high level .
As the capacitor charges , The circuit state is reversed , The output is low level , The discharge end is connected , The capacitor passes through the switch tube VT discharge , Discharge circuit road
The earth . When
when , The circuit state is reversed , The output is high level , The discharge end is disconnected , capacitance C Start charging again , Repeat the above process to form oscillation , The output voltage is a continuous rectangular wave .
③ Output pulse period
The first transient steady-state time formed by capacitor charging :
The second transient steady-state time formed by capacitor discharge :
therefore , Circuit output pulse period :
(2) Monostable trigger
① Circuit composition
The picture shows 555 A monostable trigger composed of a time base circuit .

② working process
Turn on the power ,
adopt R、C For capacitance C Charge , send
, Timer output is low , The circuit is stable . At this time , Switch tube VT Conduction , capacitance C Bypassed , The circuit is still in its original stable state , The output is low level .
When
When the negative trigger pulse of comes , The circuit state is reversed , Enter the transient state , The output is high level . At this time , Switch tube VT end , The power supply passes through a resistor R To the capacitance C Charge . When
when , The circuit state is reversed , The output is low level ,
=0 when , The circuit changes from transient steady state to steady state , here , Switch tube VT Conduction , capacitance C The bypassed circuit is still in the original stable state , The output is low level .
③ Output pulse width
capacitance C The transient time formed by charging is :
(3) Form Schmidt trigger
① Circuit composition

② working process
When the input signal
when , The output terminal is high level . With
An increase in , When
when , Circuit Flip , The output is low level .
Continue to increase , The circuit remains in its original state . With
The reduction of , When
when , The circuit state turns over again , Output high level .
The analog electronics and digital electronics part of the fundamentals and skills of electronic technology comes to an end , See you next time
边栏推荐
- After 4 months of job search and 15 interviews, I finally got 3 offers, ranking P7+
- 产品无力销量下滑 上汽名爵还能否走出阴霾
- Basic concepts of JVM and memory management model
- List and dictionary instance applications (※)
- Bash shell学习笔记(五)
- 承认吧 投新能源就是为了安全感
- Le audio specification overview
- 经典蓝牙的连接过程
- Leetcode-209. subarray with the smallest length (binary, prefix and, sliding window)
- Pre post pytest method
猜你喜欢

Drbl diskless startup + Clonezilla network backup and restore system

3dunity game project practice - first person shooting game

After 4 months of job search and 15 interviews, I finally got 3 offers, ranking P7+

Wireshark basic tutorial Ethernet frame analysis.

ArrayList of novice source code

脉冲波形的产生与变换

pytest conftest.py和fixture的配合使用

3Dunity游戏项目实战——飞机大战

MySQL事务详解

复现php一句话木马
随机推荐
Relationship between pixels and memory
How to assemble a registry?
Shape matching Halcon template
349. Intersection of two arrays
菜鸟看源码之ArrayDeque
Scrapy ip代理无响应
Pytest execution rules_ Basic usage_ Common plug-ins_ Common assertions_ Common parameters
Pyqt5 rapid development and practice Chapter 1 understanding pyqt5
The assignment of member pointer defined in C structure and the use of structure pointer as member function parameter
104. Maximum depth of binary tree
MFC picture control
【转载】多元高斯分布(The Multivariate normal distribution)
Bash shell学习笔记(四)
Bash shell learning notes (4)
雨课堂 《知识产权法》笔记
新来个技术总监要我做一个 IP 属地功能~
A method to deal with the crash of C Halcon user control
Bash shell学习笔记(七)
logging 学习最终版-配置的不同级别日志打印的颜色
Bash shell learning notes (V)