当前位置:网站首页>Bluebridge cup Guoxin Changtian single chip microcomputer -- detailed explanation of schematic diagram (IV)
Bluebridge cup Guoxin Changtian single chip microcomputer -- detailed explanation of schematic diagram (IV)
2022-07-03 21:52:00 【C don't laugh】
1、 Schematic diagram of development board ( It's fuzzy , Let's talk about specific modules , Will zoom in )

2、 MCU Physical drawing

3、 Schematic module details
1. chip STC89C52
When you see this schematic , Let's find... First , The most important thing on this board chip STC89C52
Let's go through the picture above , Clearly see , The chip has 6 Group IO mouth , Respectively P0~P5.
P5^4 To reset the port
in addition , Through the remarks after each port , We can roughly understand the functions of this port . With external interrupt 0 For example 
We can see ,P3^2 mouth , It can be used as ordinary IO mouth , It can also be used as an external interrupt 0
2. LED Light module
After roughly understanding the port of the chip , We can look at other components , My method is from the board LDE Light start ( You can also choose other parts ), The schematic diagram is understood little by little , Which device is needed , Just go to see which device .

Let's take a look first LED Light module . Everybody knows ,LED A lamp is a light-emitting device of a diode , It has one-way conductivity , Only the anode is high , The cathode is at low level , The light-emitting diode will turn on and emit light .
According to the schematic diagram , We can know , The anode of this group of light-emitting diodes , A high level has been given , So as long as we give a low level at the cathode , You can make the diode light up .
Did you learn 51 Our friends all know , To give a low level , We just need to make IO The mouth is 0, That's all right. .
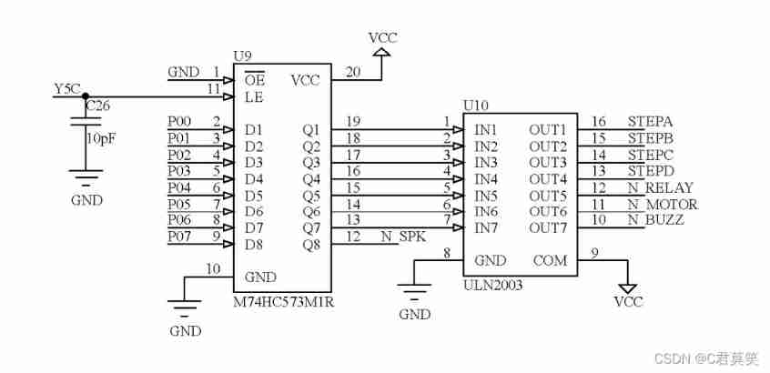
But what? , This board , You directly ordered P0 The mouth is 0, It cannot be lit IO Oral . You may have noticed , stay P0 There is a chip between the port and the LED 74HC573.
74H573 What is it for ?





It is a non reversing latch , That is, it can put P0 The data of the port is stored . That's what I mean P0 Port data changes , The register can also lock the data before it is changed on the output port . We can find out through schematic diagram , There are 4 slice 74HC573 chip .
It was used 74HC573 after , We can go through P0 mouth , Control multiple devices . The digital tube on the single chip microcomputer ,LED The lamp , DC motor , Stepper motor , Buzzer , The use of relays is related to this register .
Nixie tube module , Use of the 2 individual 74HC573 Control 
The first 4 individual 74HC573 chip , Used to control DC motor , Stepper motor , Relay , Buzzer
In the picture above ULN2003 It's a Darlington transistor , The function of this chip is to enhance IO Driving capacity of port , Because the driving of buzzer and other modules requires a large current .
How does the SCM decide which register to use ?
The enabling function of the chip is required , Both Y4C,Y5C,Y6C, Y7C Enable port , Selecting one of them as high level can control the chip .
How to control these four ports for high and low levels ?
Used on the board 138 Decoder 
I won't explain the specific principle of the above figure . After you've seen it , Should be able to see ,138 The function of the decoder here is to use P25,P26, P27, That is to say P2 The upper three digits of the mouth control the selected position .
3. Relay module

When the relay module is turned on ,K1 Will be with m2 Connected to a , here m2 There is current on the ,L10 It will glow
summary
Understanding the schematic diagram is actually very simple , We need to see modules one by one , Find a starting point ,, Only in this way can we easily understand a schematic diagram. Each module has its pin definition name , Same defined , Explain that the two are connected
边栏推荐
- Yyds dry inventory hcie security Day12: concept of supplementary package filtering and security policy
- Global and Chinese market of telematics boxes 2022-2028: Research Report on technology, participants, trends, market size and share
- Nacos common configuration
- Getting started with postman -- built-in dynamic parameters, custom parameters and assertions
- gslb(global server load balance)技術的一點理解
- [vulnhub shooting range] impulse: lupinone
- Station B, dark horse programmer, employee management system, access conflict related (there is an unhandled exception at 0x00007ff633a4c54d (in employee management system.Exe): 0xc0000005: read locat
- Let me ask you a question. Have you ever used the asynchronous io of Flink SQL to associate dimension tables in MySQL? I set various settings according to the official website
- Is it OK for fresh students to change careers to do software testing? The senior answered with his own experience
- Idea shortcut word operation
猜你喜欢

MySQL——索引

MySQL - index

How PHP adds two numbers

QFileDialog

仿网易云音乐小程序

Compréhension de la technologie gslb (Global Server load balance)

Experience summary of database storage selection

Advanced technology management - how to examine candidates in the interview and increase the entry probability

使用dnSpy對無源碼EXE或DLL進行反編譯並且修改

2022 safety officer-a certificate registration examination and summary of safety officer-a certificate examination
随机推荐
Cognitive fallacy: Wittgenstein's ruler
常用sql集合
Qualcomm platform WiFi -- P2P issue
Notes on MySQL related knowledge points (startup, index)
2022 G3 boiler water treatment registration examination and G3 boiler water treatment examination papers
2022 safety officer-a certificate registration examination and summary of safety officer-a certificate examination
What is the content of the securities practice examination?
WiFi 2.4g/5g/6g channel distribution
C程序设计的初步认识
[secretly kill little partner pytorch20 days] - [day3] - [example of text data modeling process]
Global and Chinese market of recycled yarn 2022-2028: Research Report on technology, participants, trends, market size and share
How PHP adds two numbers
Asynchronous artifact: implementation principle and usage scenario of completable future
China's Call Center Industry 14th five year plan direction and operation analysis report Ⓔ 2022 ~ 2028
Yiwen teaches you how to choose your own NFT trading market
Tidb's initial experience of ticdc6.0
Let me ask you a question. Have you ever used the asynchronous io of Flink SQL to associate dimension tables in MySQL? I set various settings according to the official website
Selenium has three waiting methods (forced waiting, implicit waiting, and display waiting)
Analysis report on the development trend and Prospect of global and Chinese supercontinuum laser source industry Ⓚ 2022 ~ 2027
The latest analysis of crane driver (limited to bridge crane) in 2022 and the test questions and analysis of crane driver (limited to bridge crane)